多种调功方式的分析比较
根据逆变器的功率调节方式的不同,可以将串联逆变器的功率调节方法分为两种:
(1) 直流调功:这种方法是通过调节输入的直流电压的幅值来调节输出功率。直流侧调功即在逆变器的直流电源侧通过对逆变环节输入电压值的调节实现对逆变器输出功率的调节。通常有两类直流侧调功方式:相控整流调功和直流斩波调功。
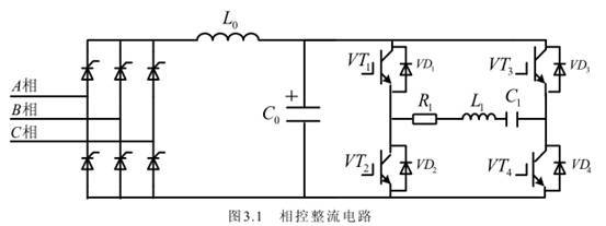
①相控整流调功方式:由六只晶闸管组成三相全控桥整流电路如图3.1所示。
编辑
三相全控桥整流方式是通过控制构成全控整流桥的六只晶闸管的通断来调节直流部分的电压,通过调节该输出直流电压来调节感应加热电源输出的功率。
优点:直流调功的功率调节得范围比较大,而且有比较高的线性度。
缺点:对晶闸管移相角的调节会直接影响到网侧功率因数,尤其在移相角比较大的情况下,电源的进线端输入电流波形质量很差,因此网侧功率因数很低,对电网会形成很大的污染。三相全控整流调压电路的电磁干扰非常大,对周围其它电气设备以及自身的控制电路将产生很大干扰。此外,相控整流在换流过程中还会使电网电压变得不稳定,由于晶闸管整流换相时存在着固有延时,因此采用闭环系统调节时其响应的速度受到制约。
②直流斩波调功方式:整流由六个二极管实现不控整流,直流部分增加一个斩控电路,其原理图如图3.2所示。
编辑
在斩控电路中通过调节开关器件的占空比改变供给逆变部分的直流电压,从而改变系统的输出功率,逆变器通过锁相电路使负载工作在谐振或准谐振状态。
优点:直流斩波调功采用不控整流,网侧功率因数比较高。负载部分通过锁相电路来跟随负载的固有频率使得逆变器工作在谐振或准谐振状态,这样逆变部分的开关损耗就可以降到很低。工作时负载功率因数角接近于零,对于在加热过程中参数变化不大的工件来说通过检测负载上的电压或电流就能够实现较为精确的功率调节,这在某些特殊要求的场合是很有优势的。
缺点:设备复杂,控制环节增多,使整个控制系统结构复杂。由于斩控电路的加入,会影响到整机的效率和安全性。斩波器功率器件要工作在大电流开关状态,对器件的要求高,损耗也大。
(2) 逆变调功方式:这种方法可以通过调节输出电压的频率来调节负载功率因数,也可以通过调节输出电压的有效值的大小(调节占空比)来实现功率调节,原理图如图3.3所示。
编辑
逆变侧调功即在逆变器侧通过对逆变环节功率器件开通关断的控制改变逆变器输出电压的参数从而实现对逆变器输出功率的调节。常见的逆变调功方法主要有脉冲频率调制法(PFM)、移相 PWM 调制法、脉冲密度调制法(PDM)、正弦脉宽调制法(SPWM),下面分别进行介绍。采用逆变侧调功方案,就可以在直流侧采用不可控整流,简化整流器控制电路,提高系统整体网侧功率因数,同时逆变侧功率调节的响应速度比采用直流侧调节要快。由图 3.3 可知,采用三相桥式不控整流电路,直流侧仅采用一个电容滤波,逆变调功方案的主电路与直流调功方案的主电路相比要简单,但是它增加了逆变环节控制的难度,尤其是增加了负载频率跟踪控制的难度。

服务理念
湖北中试高测电气控股有限公司始终坚持"精心打造精品、优质回报客户"的宗旨,并严格执行《售后服务承诺书》,我们深信优质、系统、全面、快捷的服务是事业发展的基础。建立完善的销售服务机制,将销售服务工作纳入企业管理范畴,坚持常抓不懈;
主动服务
公司作为领先高新技术企业是电力检测仪器和高压试验设备的研制厂商,是电力、水利、石油、铁路、矿山等相关领域试验解决方案产品的供应商。用心去感知,帮助客户降低成本、提高效率。满足客户的服务期望,不断引导、开发和创造客户消费需求;
差异化服务
公司细分供电系统、发电系统、用电单位和科研院所等,精心设计针对性营销服务方案,打造具有竞争力的客户和业务品牌。秉承"服务为本、诚信经营"的方针,完善服务系统,加强售前、售中、售后服务,对不同地域客户在诸多现场使用产品出现的各种问题及时帮助解决,使用户感到极大方便;
高效服务
高效的服务为公司迎来效益,同时我们以服务促发展,以客户为中心的服务体系,建立健全营销渠道,优化服务流程,改善支撑手段,赢得了广大客户的信任,产品和服务赢得至高市场荣誉;
优质服务
公司推崇5S服务理念,引领服务先进理念,以亲和、细致的服务感动客户,尊重客户,理解客户,持续提供超越客户期望的产品与服务,竭尽所能诚信天下,做客户们永远的伙伴。
服务流程
我们严格执行《售后服务承诺书》,我们深信优质、系统、全面、快捷的服务是事业发展的基础。经过多年的不断探索和进取,我们形成了"以客户为核心、以质量为企业的第一生命"的服务理念。并以严格的管理、先进的技术创建国内一流的服务企业为目标,制定了规范管理制度,严格过程控制,保证产品质量,达到顾客满意的质量方针,坚持"用户第一"的原则,构建良好的销售服务体系,为客户提供优质的售前、售中及售后服务!
1. 尊敬的的用户,不论您有何种需求:只要您拨打湖北中试高测电气控股有限公司统一服务热线 027-83982728 剩下的事有我们来做;
2. 我们的服务专员将会给您提供专业的产品咨询和技术解答;
3. 了解您的诉求,建立产品服务记录,并与您协商确定售后服务方式;
4. 如有需要,我们会第一时间安排专业的技术工程师按与您约定的时间准时到达试验现场;
5. 工程师将向您详细地讲解产品的工作原理和实验操作步骤;
6. 工程师将现场指导您完成整个试验过程,并对您提出的技术问题给予专业的解答;
7. 工程师还会为您购买的武汉中试产品进行全面检测,如有故障,将一并解决;
8. 服务完成后请您对我们的服务提出宝贵的意见或建议,服务信息将同步到售后服务中心;
9. 售后服务中心将积极跟进服务进度,并定期跟踪回访。
售后服务承诺书
一、售前服务承诺
1. 提供专业咨询。在2小时之内答复您提出的专业技术问题;
2. 提供详细资料。在4小时之内将您所需要的技术资料邮出,并争取您能在两日内收到;
3. 提供合理报价。在2小时之内为您提供合理报价;
4. 提供考察接待。随时接待您的考察,并尽力为您的考察工作提供各种便利条件。
二、售中服务承诺
1. 采用全国统一的《工业品买卖合同》与您签订合同和技术协议;
2. 自觉遵守合同法的规定,确保合同及技术协议顺利履行;
3. 竭力按时按量为您提供优质产品,并采用最优运输方式,确保您收到货物完好无缺;
4. 积极与使用人员沟通,尊重用户安排,为用户提供周到的技术支持;
5. 按合同的规定为您提供送检、安装、调试及培训等服务;
6. 无论合同大小,所有客户在价格及服务方面都是公平的。
三、售后限时服务承诺
1. 我们将按照客户的要求提供相关的技术培训和技术资料;
2. 产品有质量问题,三年免费保修,终生维护,有合同约定的按合同约定;
3. 我们保证在15分钟内进行电话指导,由您自行排除设备的简单故障;
4. 对于10公斤以下的仪器,在两日内排除故障或提供新的设备供您暂时使用,直到损坏设备修好为止;
5. 对于10公斤以上的仪器,在三日内排除故障或提供新的设备供您暂时使用,直到损坏设备修好为止;
6. 我们对所销售的设备3年免费维护,终生维修,长期提供备品备件,软件免费升级,有合同约定的除外。
服务相关说明
1. 我公司愿为用户提供各种技术咨询,当好参谋,并提供有关技术资料,如产品样本、图片、产品说明书;
2. 对于用户来电、来函及来人询价访问,我公司将热情接待,及时给予答复;
3. 我公司配有送货专车,对于客户确定合作之后,我们会选择合理的物流送货方式将产品安全送达规定地点;
4. 产品在运送过程中,如果由于运输原因,致使产品损坏,我公司将与用户协商解决办法,直到达到用户满意为止;
5. 产品在货物送达时,经验货如果发现有漏货、错货或短货等数量上问题,在接到通知后,将立即派人到现场进行服务和处理;
6. 在用户使用过程中,如果发现由于我公司方面的责任引起的产品质量问题,我公司在接到通知后,保证在1小时内作出答复;对需要派工程师处理的,保证立即指派技术人员到达现场排除问题,不需要到现场服务的,一定当好参谋,为用户提供最佳处理方案;
7、我公司派人到用户现场服务的,应与用户电话商定到达日期,假如由于某种客观原因,不能如期到达,必须事前通知用户,并说明原因或采取相应措施,保证用户不受损失或把损失降到最低程度。