在交流试验中,Ua(或Uab)/Ia设定为某一初值,设置步长,按“▲”、“▼”键或旋动旋钮(亦可用自动试验方式)加减电压/电流,测量电压/电流/反时限电流继电器的动作值和返回值及动作时间和返回时间,计算返回系数。
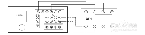
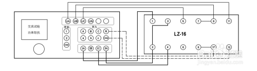
在交流试验中,Ua(或Uab)/Ia设定为某一初值,设置步长,按“▲”、“▼”键或旋动旋钮(亦可用自动试验方式)加减电压/电流,测量电压/电流/反时限电流继电器的动作值和返回值及动作时间和返回时间,计算返回系数。下图为LL-12A过电流继电器的接线图。
2、直流电压/电流继电器校验
在直流试验中,Ua(或Uab)/Ia设定为某一初值,设置步长,按“▲”、“▼”键或旋动旋钮(亦可用自动试验方式)加减电压/电流,测量电压/电流继电器的动作值和返回值及动作时间和返回时间,计算返回系数。
3、时间继电器校验
用手动试验方式,按直流或交流电压继电器的试验方法测出动作值、返回值和动作时间、返回时间。
1;、“▼”键或旋动旋钮(亦可用自动试验方式)加减电压/电流,测量电压/电流继电器的动作值和返回值及动作时间和返回时间,计算返回系数。
4、功率继电器校验
(1) 功率方向继电器动作区和灵敏角的测量
在功率、阻抗试验中,设定Uab、Ia为额定值,设置Uab相角步长,加减电压相位角(可用自动试验方式),测出动作区两边边界角φ1、φ2,则灵敏角φLM=½(φ1+φ2)。
(2) 最小动作功率的测量
将角度设置在灵敏角φLM,设定Ia(或Uab)为额定值、Uab(或Ia)为零。
(3) 潜动试验
电流回路开路,设置Uab初值为零、步长为额定电压,突然加上或切除电压,继电器触点不应有瞬间接通现象。
电压回路经20欧电阻短路,设置Ia 初值为零、步长为数倍额定电流,突然加上或切除电流,继电器触点不应有瞬间接通现象。
2) 最小动作功率的测量
将角度设置在灵敏角φLM,设定Ia(或Uab)为额定值、Uab(或Ia)为零。
(4) 记忆作用检验
在灵敏角下设置Ia 为0.5倍和数倍额定电流时,Uab由100V突降至零,继电器应可靠动作,说明记忆作用良好。
(1) 阻抗继电器灵敏角和整定阻抗的测量
在功率、阻抗试验中,设定Ia为5A(或1A),Uab为0.7倍整定阻抗对应的电压,加减电压相位角(可用自动试验方式),测出动作区两边的边界角φ1、φ2,则灵敏角φLM=½(φ1+φ2)。
将相角设为φLM,从高至低改变电压至继电器动作,得出动作电压UDZ,根据ZSET=UDZ/I,计算整定阻抗ZSET。
2) 精工电流曲线的测量
固定电压与电流之间的角度为φLM,逐次改变电流Iab,在每一电流时加减电压Uab(可用自动方式),测出动作值,作出精工电流曲线 Z=f(I) 。
(3) “鸟啄”现象
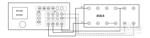
电流回路开路,设置Uab初值和步长均为额定电压,电压由额定突降至零,继电器触点不应有闭合现象。接线如下图所示:
�可用自动方式),测出动作值,作出精工电流曲线 Z=f(I) 。
(1)两线圈极性关系检查
在交流试验中,设定Ua、Uc输出额定电压接入两线圈,继电器不动作,但断开任一线圈继电器即动作,说明2、6为同极性端子,否则2、4为同极性端子。
(2)动作角度的测量
调节好极性端子,设定Ua、Uc为额定电压,改变两电压之间的角度,测出动作值和返回值。
(3)动作、返回电压的测量
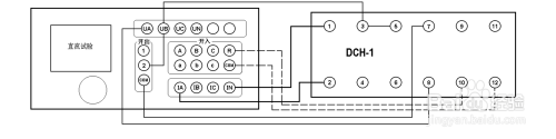
设定一个线圈电压为零,另一线圈电压由零逐步增加(可用自动试验方式)测出动作电压,再逐步减小电压,测出返回电压。交换线圈再做同样试验。接线如下图所示:
低周继电器校验
在高低周试验中,设定电压、电流为额定值,设置频率初值、手动变频步长值,逐步减小频率,测出低周动作频率值和动作时间,再逐步增加频率,测出返回频率值和返回时间。
将变频方式改为自动变频,设置自动变频步长Df/Dt 值为整定值,减小频率,继电器应不动作,连续数次试验均应可靠不动作。
调节好极性端子,设定Ua、Uc为额定电压,改变两电压之间的角度,测出动作值和返回值。
(3)动作、返回电压的测量
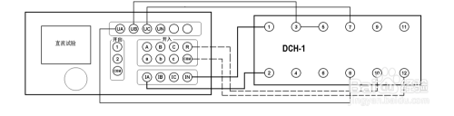
设定一个线圈电压为零,另一线圈电压由零逐步增加(可用自动试验方式)测出动作电压,再逐步减小电压,测出返回电压。交换线圈再做同样试验。接线如下图所示:
(1)方法一:(适用于PC机软件操作)
在直流试验中,用手动试验方式,设置 Ia 为中间继电器保持电流,Uab为 220V(Ua为+110V,Ub为-110V)作电容充电电压,Uc为+110V。按下“确认”,“开始”输出220V 电压。
等待15-25秒重合闸电容充电充满、信号灯亮后,将Uc电压值改为-110V(在输出状态中,鼠标点击Uc数值框,直接输入-110,按回车键),即在第 7 端施加启动电压以启动重合闸,重合闸启动后,等待重合闸时间到,接点动作,即可测出动作时间。
注意:若重合闸能充电但不能动作,请检查保持电流是否有输出。在充电期间,电流输出回路是断开的,所以测试仪的电流输出开路指示灯亮。当重合闸动作时,测试仪的电流输出开路指示灯应熄灭。
(2)方法二:(适用于继电保护测试仪型单机操作)
在直流试验中,用手动试验方式,设置 IA 为中间继电器保持电流,UAB为 220V(UA为+110V,UB为-110V)作电容充电电压,关闭所有的变化标志。按下“确认”,“开始”输出220V 电压。等待15-25秒重合闸电容充电充满、信号灯亮后,按下测试仪面板上的“▲”或“▼”,或旋转一下测试仪器的旋钮。此时,开出2闭合,UB通过开出2给7号端子加上-110V电压,从而启动重合闸。待重合闸时间到,接点动作,即可测出动作时间。
ce="宋体" >端施加启动电压以启动重合闸,重合闸启动后,等待重合闸时间到,接点动作,即可测出动作时间。
注意:若重合闸能充电但不能动作,请检查保持电流是否有输出。在充电期间,电流输出回路是断开的,所以测试仪的电流输出开路指示灯亮。当重合闸动作时,测试仪的电流输出开路指示灯应熄灭。
差动继电器校验
(1)直流助磁特性的测量
在差动试验中,制动电流 Izd 设定为直流电流,逐次改变 Izd 值,在每一助磁电流时加减动作电流 Idz(可用自动试验方式),测出动作电流IDZ,绘制制动特性曲线。
(2)比率制动特性的测量
制动电流 Izd 设定为基波电流,逐次改变 Izd 值,在每一制动电流时加减动作电流 Idz,测出动作电流IDZ,绘制制动特性曲线。
注意:若重合闸能充电但不能动作,请检查保持电流是否有输出。在充电期间,电流输出回路是断开的,所以测试仪的电流输出开路指示灯亮。当重合闸动作时,测试仪的电流输出开路指示灯应熄灭。
(3)二次谐波制动特性的测量
制动电流Izd 设定为二次谐波电流,逐次改变 Izd 值,在每一制动电流时加减动作电流 Idz,测出动作电流IDZ,绘制二次谐波制动特性曲线。
(4)高次谐波制动特性的测量
在差动谐波试验中,制动电流 Izd 设定为各次谐波叠加电流,逐次改变 Izd 的某次谐波值,测出动作电流IDZ。
(1) 精度调整
如果装置使用时间较长后需要定期对装置精度进行调整,可按下述步骤进行:
— 将装置平放于桌面上,打开上盖板,可看到固定于机箱中央约575px×350px的主板,主板中央有(继电保护测试仪:7只)电位器平行排列,各电位器分别标有(继电保护测试仪):UA、UB、UC、UX、IA、IB、IC。上述电位器用于调整幅值。
— 电压调整:在交流试验中,设定各相电压均输出60V,分别接至一个0.2级电压表上。调整各自的电位器,使其输出准确为60V。(UX选择与UA相同幅值)
— 电流调整:在交流试验中,设定各相电流均输出基波5A,分别接至一个0.2级电流表上。调整各自的电位器,使其输出准确为5A。
(2) 障处理
装置使用过程中如出现某些异常情况,请按下述步骤进行处理:
— 如果电压输出不正常,如幅值太低,或甚至输出接近为零,请检查机箱底板电源插口上方的两个保险管(2 A)是否断开。
— 如果开机无任何反应,风扇不转,电源指示灯和显示屏均不亮,请检查底板电源插座内藏的保险管(10A)是否断开。
— 如果单机运行出现某些数据不正常或试验过程中软件出错,可以关机后,按着按钮再开机直至主界面启动完成再松开,此过程将复位清除全部内存数据,机器会恢复正常运行。
— 如果确属装置内部故障,请速于我公司联系,我公司将尽快予以解决。
e="宋体" >电流调整:在交流试验中,设定各相电流均输出基波5A,分别接至一个0.2级电流表上。调整各自的电位器,使其输出准确为5A。
(3) 服务承诺
本装置一年内免费保修,长期维护,提供备品备件,软件终生免费升级。

服务理念
湖北中试高测电气控股有限公司始终坚持"精心打造精品、优质回报客户"的宗旨,并严格执行《售后服务承诺书》,我们深信优质、系统、全面、快捷的服务是事业发展的基础。建立完善的销售服务机制,将销售服务工作纳入企业管理范畴,坚持常抓不懈;
主动服务
公司作为领先高新技术企业是电力检测仪器和高压试验设备的研制厂商,是电力、水利、石油、铁路、矿山等相关领域试验解决方案产品的供应商。用心去感知,帮助客户降低成本、提高效率。满足客户的服务期望,不断引导、开发和创造客户消费需求;
差异化服务
公司细分供电系统、发电系统、用电单位和科研院所等,精心设计针对性营销服务方案,打造具有竞争力的客户和业务品牌。秉承"服务为本、诚信经营"的方针,完善服务系统,加强售前、售中、售后服务,对不同地域客户在诸多现场使用产品出现的各种问题及时帮助解决,使用户感到极大方便;
高效服务
高效的服务为公司迎来效益,同时我们以服务促发展,以客户为中心的服务体系,建立健全营销渠道,优化服务流程,改善支撑手段,赢得了广大客户的信任,产品和服务赢得至高市场荣誉;
优质服务
公司推崇5S服务理念,引领服务先进理念,以亲和、细致的服务感动客户,尊重客户,理解客户,持续提供超越客户期望的产品与服务,竭尽所能诚信天下,做客户们永远的伙伴。
服务流程
我们严格执行《售后服务承诺书》,我们深信优质、系统、全面、快捷的服务是事业发展的基础。经过多年的不断探索和进取,我们形成了"以客户为核心、以质量为企业的第一生命"的服务理念。并以严格的管理、先进的技术创建国内一流的服务企业为目标,制定了规范管理制度,严格过程控制,保证产品质量,达到顾客满意的质量方针,坚持"用户第一"的原则,构建良好的销售服务体系,为客户提供优质的售前、售中及售后服务!
1. 尊敬的的用户,不论您有何种需求:只要您拨打湖北中试高测电气控股有限公司统一服务热线 027-83982728 剩下的事有我们来做;
2. 我们的服务专员将会给您提供专业的产品咨询和技术解答;
3. 了解您的诉求,建立产品服务记录,并与您协商确定售后服务方式;
4. 如有需要,我们会第一时间安排专业的技术工程师按与您约定的时间准时到达试验现场;
5. 工程师将向您详细地讲解产品的工作原理和实验操作步骤;
6. 工程师将现场指导您完成整个试验过程,并对您提出的技术问题给予专业的解答;
7. 工程师还会为您购买的武汉中试产品进行全面检测,如有故障,将一并解决;
8. 服务完成后请您对我们的服务提出宝贵的意见或建议,服务信息将同步到售后服务中心;
9. 售后服务中心将积极跟进服务进度,并定期跟踪回访。
售后服务承诺书
一、售前服务承诺
1. 提供专业咨询。在2小时之内答复您提出的专业技术问题;
2. 提供详细资料。在4小时之内将您所需要的技术资料邮出,并争取您能在两日内收到;
3. 提供合理报价。在2小时之内为您提供合理报价;
4. 提供考察接待。随时接待您的考察,并尽力为您的考察工作提供各种便利条件。
二、售中服务承诺
1. 采用全国统一的《工业品买卖合同》与您签订合同和技术协议;
2. 自觉遵守合同法的规定,确保合同及技术协议顺利履行;
3. 竭力按时按量为您提供优质产品,并采用最优运输方式,确保您收到货物完好无缺;
4. 积极与使用人员沟通,尊重用户安排,为用户提供周到的技术支持;
5. 按合同的规定为您提供送检、安装、调试及培训等服务;
6. 无论合同大小,所有客户在价格及服务方面都是公平的。
三、售后限时服务承诺
1. 我们将按照客户的要求提供相关的技术培训和技术资料;
2. 产品有质量问题,三年免费保修,终生维护,有合同约定的按合同约定;
3. 我们保证在15分钟内进行电话指导,由您自行排除设备的简单故障;
4. 对于10公斤以下的仪器,在两日内排除故障或提供新的设备供您暂时使用,直到损坏设备修好为止;
5. 对于10公斤以上的仪器,在三日内排除故障或提供新的设备供您暂时使用,直到损坏设备修好为止;
6. 我们对所销售的设备3年免费维护,终生维修,长期提供备品备件,软件免费升级,有合同约定的除外。
服务相关说明
1. 我公司愿为用户提供各种技术咨询,当好参谋,并提供有关技术资料,如产品样本、图片、产品说明书;
2. 对于用户来电、来函及来人询价访问,我公司将热情接待,及时给予答复;
3. 我公司配有送货专车,对于客户确定合作之后,我们会选择合理的物流送货方式将产品安全送达规定地点;
4. 产品在运送过程中,如果由于运输原因,致使产品损坏,我公司将与用户协商解决办法,直到达到用户满意为止;
5. 产品在货物送达时,经验货如果发现有漏货、错货或短货等数量上问题,在接到通知后,将立即派人到现场进行服务和处理;
6. 在用户使用过程中,如果发现由于我公司方面的责任引起的产品质量问题,我公司在接到通知后,保证在1小时内作出答复;对需要派工程师处理的,保证立即指派技术人员到达现场排除问题,不需要到现场服务的,一定当好参谋,为用户提供最佳处理方案;
7、我公司派人到用户现场服务的,应与用户电话商定到达日期,假如由于某种客观原因,不能如期到达,必须事前通知用户,并说明原因或采取相应措施,保证用户不受损失或把损失降到最低程度。