油浸式试验变压器特别适用于电力系统、工矿企业、科研部门等对各种高压电气设备、电器元件、绝缘材料进行工频或直流高压下的绝缘强度试验。是高压试验中必不可少的重要设备。
油浸式试验变压器特别适用于电力系统、工矿企业、科研部门等对各种高压电气设备、电器元件、绝缘材料进行工频或直流高压下的绝缘强度试验。是高压试验中必不可少的重要设备。
1、单台试验变压器的工作原理图见图1
2、单台油浸式交直流试验变压器的工作原理图见图2,图中高压套管中装有高压硅堆,串接在高压回路中作半波整流,以获得直流高电压。当用一短路杆将高压硅堆短接时,可获得工频高电压,作为交流输出状态;取消短路杆时,作为直流输出状态。
3、三台试验变压器串级获得更高电压的接线原理见图3。串级高压试验变压器有很大的优越性,因为整个试验装置由几台单台试验变压器组成,单台试验变压器容量小、电压低、重量轻,便于运输和安装。它既然可串接成高出几倍的单台试验变压器输出电压组合使用,又可分开成几套单台试验变压器单独使用。整套装置投资小,经济实惠。图5中,在第一级和第二级的每个单元试验变压器中都有一个励磁绕组A1、C1和A2、C2。在三台串级试验变压器基本原理中,低压电源加在试验变压器Ⅰ的初级绕组a1x1上,单台试验变压器Ⅰ、Ⅱ、Ⅲ的输出电压都是V。励磁绕组A1、C1给第二级试验变压器Ⅱ的初级绕组供电;第二级试验变压器Ⅱ的励磁绕组A2、C2给第三级试验变压器Ⅲ的初级绕组供电。第二级试验变压器Ⅱ和第三级试验变压器Ⅲ的箱体分别处在对地为1V和2V的高电位上,所以箱体对地是绝缘的,试验变压器Ⅰ的箱体是接地的。这样第一级、第二级、第三级试验变压器对地的额定输出电压分别为1V、2V、3V;其额定容量分别为3P、2P、1P。
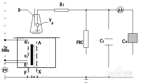
4、ZC-501A系列油浸式试验变压器做被试品的工频耐压试验使用接线原理图见图4。
工频耐压试验中限流电阻R1应根据试验变压器的额定容量来选择。如高压侧额定输出电流在100~300mA时,可取0.5~1Ω/V(试验电压);高压侧额定输出电流为1A以上时,可取1Ω/V(试验电压)。常用水电阻作为限流电阻,管子长度可按150kV/m考虑,管子粗细应具有足够的热容量(水阻液配制方法:用蒸馏水加入适量硫酸铜配制成各种不同的阻值)。
球间隙及保护电阻:当电压超过球间隙整定值时(一般取试验电压的110%~120%),球间隙放电,对被试品起到保护作用。球间隙保护电阻可按1Ω/V(试验电压)选取。
在工频耐压试验中,低电压侧测量电压(仪表电压)不是非常准确的,其原因是由于试验变压器存在着漏抗,在这个漏抗上必然存在着压降或容升,使试品上的电压低于或高于低压侧测量电压表上反映出来的电压。工频耐压试验时,被试品上的电压高于试验变压器的输出电压,也就是所谓容升现象。感应耐压试验时,试验变压器的漏抗必然存在着压降。为了准确测量被试品上所施加的电压,因此常在高压侧接入FRC阻容分压器来测量电压(见图6)。
工频耐压试验操作注意事项
1)试验人员应做好分工,明确相互间联系方法。并有专门人监护现场安全及观察试品状态。
2)被试品应先清扫干净,并绝对干燥,以免损坏被试品和试验带来的误差。
3)对于大型试验,一般都应先进行空升试验。即不接试品时升压至试验电压,校对各种表计,调整球间隙。
4)升压速度不能太快,并必须防止突然加压。例如调压器不在零位时突然合闸。也不能突然切断电源,一般应在调压器降至零位时拉闸。
5)当电压升至试验电压时,开始计时,到1min后,迅速降压到1/3试验电压以下时,才能拉开电源。
6)在升压或耐压试验过程中,如发现下列不正常情况时,应立即降压,切断电源。停止试验并查明原因:①电压表指针摆动很大;②发现绝缘烧焦或冒烟;③被试品内有不正常的声音。
7)耐压试验前后应测量绝缘电阻,检查绝缘情况。
5、试验变压器在做被试品的直流耐压或泄露试验时接线原理图如图5。

服务理念
湖北中试高测电气控股有限公司始终坚持"精心打造精品、优质回报客户"的宗旨,并严格执行《售后服务承诺书》,我们深信优质、系统、全面、快捷的服务是事业发展的基础。建立完善的销售服务机制,将销售服务工作纳入企业管理范畴,坚持常抓不懈;
主动服务
公司作为领先高新技术企业是电力检测仪器和高压试验设备的研制厂商,是电力、水利、石油、铁路、矿山等相关领域试验解决方案产品的供应商。用心去感知,帮助客户降低成本、提高效率。满足客户的服务期望,不断引导、开发和创造客户消费需求;
差异化服务
公司细分供电系统、发电系统、用电单位和科研院所等,精心设计针对性营销服务方案,打造具有竞争力的客户和业务品牌。秉承"服务为本、诚信经营"的方针,完善服务系统,加强售前、售中、售后服务,对不同地域客户在诸多现场使用产品出现的各种问题及时帮助解决,使用户感到极大方便;
高效服务
高效的服务为公司迎来效益,同时我们以服务促发展,以客户为中心的服务体系,建立健全营销渠道,优化服务流程,改善支撑手段,赢得了广大客户的信任,产品和服务赢得至高市场荣誉;
优质服务
公司推崇5S服务理念,引领服务先进理念,以亲和、细致的服务感动客户,尊重客户,理解客户,持续提供超越客户期望的产品与服务,竭尽所能诚信天下,做客户们永远的伙伴。
服务流程
我们严格执行《售后服务承诺书》,我们深信优质、系统、全面、快捷的服务是事业发展的基础。经过多年的不断探索和进取,我们形成了"以客户为核心、以质量为企业的第一生命"的服务理念。并以严格的管理、先进的技术创建国内一流的服务企业为目标,制定了规范管理制度,严格过程控制,保证产品质量,达到顾客满意的质量方针,坚持"用户第一"的原则,构建良好的销售服务体系,为客户提供优质的售前、售中及售后服务!
1. 尊敬的的用户,不论您有何种需求:只要您拨打湖北中试高测电气控股有限公司统一服务热线 027-83982728 剩下的事有我们来做;
2. 我们的服务专员将会给您提供专业的产品咨询和技术解答;
3. 了解您的诉求,建立产品服务记录,并与您协商确定售后服务方式;
4. 如有需要,我们会第一时间安排专业的技术工程师按与您约定的时间准时到达试验现场;
5. 工程师将向您详细地讲解产品的工作原理和实验操作步骤;
6. 工程师将现场指导您完成整个试验过程,并对您提出的技术问题给予专业的解答;
7. 工程师还会为您购买的武汉中试产品进行全面检测,如有故障,将一并解决;
8. 服务完成后请您对我们的服务提出宝贵的意见或建议,服务信息将同步到售后服务中心;
9. 售后服务中心将积极跟进服务进度,并定期跟踪回访。
售后服务承诺书
一、售前服务承诺
1. 提供专业咨询。在2小时之内答复您提出的专业技术问题;
2. 提供详细资料。在4小时之内将您所需要的技术资料邮出,并争取您能在两日内收到;
3. 提供合理报价。在2小时之内为您提供合理报价;
4. 提供考察接待。随时接待您的考察,并尽力为您的考察工作提供各种便利条件。
二、售中服务承诺
1. 采用全国统一的《工业品买卖合同》与您签订合同和技术协议;
2. 自觉遵守合同法的规定,确保合同及技术协议顺利履行;
3. 竭力按时按量为您提供优质产品,并采用最优运输方式,确保您收到货物完好无缺;
4. 积极与使用人员沟通,尊重用户安排,为用户提供周到的技术支持;
5. 按合同的规定为您提供送检、安装、调试及培训等服务;
6. 无论合同大小,所有客户在价格及服务方面都是公平的。
三、售后限时服务承诺
1. 我们将按照客户的要求提供相关的技术培训和技术资料;
2. 产品有质量问题,三年免费保修,终生维护,有合同约定的按合同约定;
3. 我们保证在15分钟内进行电话指导,由您自行排除设备的简单故障;
4. 对于10公斤以下的仪器,在两日内排除故障或提供新的设备供您暂时使用,直到损坏设备修好为止;
5. 对于10公斤以上的仪器,在三日内排除故障或提供新的设备供您暂时使用,直到损坏设备修好为止;
6. 我们对所销售的设备3年免费维护,终生维修,长期提供备品备件,软件免费升级,有合同约定的除外。
服务相关说明
1. 我公司愿为用户提供各种技术咨询,当好参谋,并提供有关技术资料,如产品样本、图片、产品说明书;
2. 对于用户来电、来函及来人询价访问,我公司将热情接待,及时给予答复;
3. 我公司配有送货专车,对于客户确定合作之后,我们会选择合理的物流送货方式将产品安全送达规定地点;
4. 产品在运送过程中,如果由于运输原因,致使产品损坏,我公司将与用户协商解决办法,直到达到用户满意为止;
5. 产品在货物送达时,经验货如果发现有漏货、错货或短货等数量上问题,在接到通知后,将立即派人到现场进行服务和处理;
6. 在用户使用过程中,如果发现由于我公司方面的责任引起的产品质量问题,我公司在接到通知后,保证在1小时内作出答复;对需要派工程师处理的,保证立即指派技术人员到达现场排除问题,不需要到现场服务的,一定当好参谋,为用户提供最佳处理方案;
7、我公司派人到用户现场服务的,应与用户电话商定到达日期,假如由于某种客观原因,不能如期到达,必须事前通知用户,并说明原因或采取相应措施,保证用户不受损失或把损失降到最低程度。