本公司生产的串联谐振设备在行业内都广受好评,以打造最具权威的“串联谐振“高压设备供应商而努力。1.LC串联谐振吸收电路
吸收电路的作用是将输入信号中某一频率的信与去掉。图4-65所示是采用LC串联谐振电路构成的吸收电路。电路中的VT1构成一级放大器,U是输入信号,U是这一 放大器的输出信号。Ll和Cl构成LC串联谐振吸收电路,其谐振频率为fo,它接在VT1输入端与地端之间。
点击添加图片描述(最多60个字)编辑
图4-65
(1)输入信号频率为fo。对于输入信号中频率为fo的信号,由于与Ll和Cl的谐振频率相同,Ll和Cl的串联电路对它的阻抗很小,频率为五的输入信号被Ll和Cl旁路到地而不能加到VT1基极,VT1就不能放大矗信号,当然输出信号中也就没有频率为fo的信号了。
(2)输入信号频率高于或低于石。对于输入信号中频率高于或低于fo的信号,由于与Ll和Cl的谐振频率不等,这时Ll和Cl串联电路失谐,其阻抗很大,其输入信号不会被Ll和Cl旁路到地,而是加到了VT1基极,经VT1放大后输出。
从这一放大器的频率响应特性中可以看出,输出信号中没有频率为fo的信号存在了。
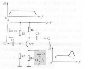
2.串联谐振高频提升电路
图4-66所示是采用LC串联电路构成的高频提升电路。电路中的VT1构成一级共发射极放大器,Ll和C4构成LC串联谐振电路,用来提升高频信号。Ll和C4串联谐振电路的谐振频率为五,它高于这一放大器工作信号的最高频率。
点击添加图片描述(最多60个字)编辑
图4-66
由于Ll和C4电路在谐振时的阻抗最小,与发射极负反馈电阻R4并联后负反馈电阻最小,因此此时的放大倍数最大。这样,接近fo的高频信号得到提升,如图中放大器的频响特性曲线所示,不加Ll和C4时的高频段响应曲线为虚线,加入Ll和C4时的为实线,显然实线的高频段响应优于虚线。
对于频率远低于fo的输入信号,Ll和C4电路对其没有提升作用。因为Ll和C4电路处子失谐状态,其阻抗很大,此时的负反馈电阻为R4。
3.LC谐振电路工作原理分析小结
(1)掌握阻抗特性。了解这两种谐振电路的一些主要特性是分析它们应用电路的基础,其中最主要的是两种谐振电路的阻抗特性,因为在各种电路的工作原理分析中,主要是依据电路的阻抗对电路进行分析。LC并联谐振电路谐振时阻抗最大,LC串联谐振电路最小,将它们对应起来比较容易记忆。
(2) LC串联谐振电路谐振时阻抗最小。分析LC串联谐振电路时要注意的事项同并联谐振电路相同,只是串联谐振时电路的阻抗最小,而并联谐振时的阻抗最大。
对于LC串联谐振电路而言,电路失谐时电路的阻抗很大,此时对于频率低于谐振频率的信号主要是因为电容Cl的容抗大了,对于频率高于谐振频率的信号主要是因为电感Ll的感抗大了。
(3) LC并联谐振电路失谐时阻抗小。对于LC并联谐振电路而言,电路失谐时电路的阻抗很小,此时频率低于谐振频率的信号主要是从电感Ll支路通过的,而频率高于谐振频率的信号主要是从电容Cl支路通过的。
(4)输入信号频率分成两种情况。分析这两种LC谐振电路的应用电路时,要将输入信号频率分成两种情况:输入信号频率等于谐振频率时的电路工作情况和输入信号频率不等于谐振频率时的电路工作情况。
(5)阻尼电阻作用。在并联谐振电路中加入阻尼电阻的目的是为了获得所需要的频带宽度。所加电阻的阻值越小,频带越宽,反之则越窄。
输入LC并联谐振电路的信号频率是很广泛的,其中含有频率为谐振频率的信号。在众多频率的输入信号中,电路只对频率为谐振频率的信号发生谐振,这时电路的阻抗最犬。谐振电路有一个频带宽度。在电路分析中,可以认为频带内的信号都与谐振频率的信号一样,被同样地放大或处理;但对频率偏离谐振频率的信号,掌握的。频带的宽度与Q值大小有关,Q值大,则认为没有受到放大或处理,这是电路分析要频带窄;Q值小,频带宽。

服务理念
湖北中试高测电气控股有限公司始终坚持"精心打造精品、优质回报客户"的宗旨,并严格执行《售后服务承诺书》,我们深信优质、系统、全面、快捷的服务是事业发展的基础。建立完善的销售服务机制,将销售服务工作纳入企业管理范畴,坚持常抓不懈;
主动服务
公司作为领先高新技术企业是电力检测仪器和高压试验设备的研制厂商,是电力、水利、石油、铁路、矿山等相关领域试验解决方案产品的供应商。用心去感知,帮助客户降低成本、提高效率。满足客户的服务期望,不断引导、开发和创造客户消费需求;
差异化服务
公司细分供电系统、发电系统、用电单位和科研院所等,精心设计针对性营销服务方案,打造具有竞争力的客户和业务品牌。秉承"服务为本、诚信经营"的方针,完善服务系统,加强售前、售中、售后服务,对不同地域客户在诸多现场使用产品出现的各种问题及时帮助解决,使用户感到极大方便;
高效服务
高效的服务为公司迎来效益,同时我们以服务促发展,以客户为中心的服务体系,建立健全营销渠道,优化服务流程,改善支撑手段,赢得了广大客户的信任,产品和服务赢得至高市场荣誉;
优质服务
公司推崇5S服务理念,引领服务先进理念,以亲和、细致的服务感动客户,尊重客户,理解客户,持续提供超越客户期望的产品与服务,竭尽所能诚信天下,做客户们永远的伙伴。
服务流程
我们严格执行《售后服务承诺书》,我们深信优质、系统、全面、快捷的服务是事业发展的基础。经过多年的不断探索和进取,我们形成了"以客户为核心、以质量为企业的第一生命"的服务理念。并以严格的管理、先进的技术创建国内一流的服务企业为目标,制定了规范管理制度,严格过程控制,保证产品质量,达到顾客满意的质量方针,坚持"用户第一"的原则,构建良好的销售服务体系,为客户提供优质的售前、售中及售后服务!
1. 尊敬的的用户,不论您有何种需求:只要您拨打湖北中试高测电气控股有限公司统一服务热线 027-83982728 剩下的事有我们来做;
2. 我们的服务专员将会给您提供专业的产品咨询和技术解答;
3. 了解您的诉求,建立产品服务记录,并与您协商确定售后服务方式;
4. 如有需要,我们会第一时间安排专业的技术工程师按与您约定的时间准时到达试验现场;
5. 工程师将向您详细地讲解产品的工作原理和实验操作步骤;
6. 工程师将现场指导您完成整个试验过程,并对您提出的技术问题给予专业的解答;
7. 工程师还会为您购买的武汉中试产品进行全面检测,如有故障,将一并解决;
8. 服务完成后请您对我们的服务提出宝贵的意见或建议,服务信息将同步到售后服务中心;
9. 售后服务中心将积极跟进服务进度,并定期跟踪回访。
售后服务承诺书
一、售前服务承诺
1. 提供专业咨询。在2小时之内答复您提出的专业技术问题;
2. 提供详细资料。在4小时之内将您所需要的技术资料邮出,并争取您能在两日内收到;
3. 提供合理报价。在2小时之内为您提供合理报价;
4. 提供考察接待。随时接待您的考察,并尽力为您的考察工作提供各种便利条件。
二、售中服务承诺
1. 采用全国统一的《工业品买卖合同》与您签订合同和技术协议;
2. 自觉遵守合同法的规定,确保合同及技术协议顺利履行;
3. 竭力按时按量为您提供优质产品,并采用最优运输方式,确保您收到货物完好无缺;
4. 积极与使用人员沟通,尊重用户安排,为用户提供周到的技术支持;
5. 按合同的规定为您提供送检、安装、调试及培训等服务;
6. 无论合同大小,所有客户在价格及服务方面都是公平的。
三、售后限时服务承诺
1. 我们将按照客户的要求提供相关的技术培训和技术资料;
2. 产品有质量问题,三年免费保修,终生维护,有合同约定的按合同约定;
3. 我们保证在15分钟内进行电话指导,由您自行排除设备的简单故障;
4. 对于10公斤以下的仪器,在两日内排除故障或提供新的设备供您暂时使用,直到损坏设备修好为止;
5. 对于10公斤以上的仪器,在三日内排除故障或提供新的设备供您暂时使用,直到损坏设备修好为止;
6. 我们对所销售的设备3年免费维护,终生维修,长期提供备品备件,软件免费升级,有合同约定的除外。
服务相关说明
1. 我公司愿为用户提供各种技术咨询,当好参谋,并提供有关技术资料,如产品样本、图片、产品说明书;
2. 对于用户来电、来函及来人询价访问,我公司将热情接待,及时给予答复;
3. 我公司配有送货专车,对于客户确定合作之后,我们会选择合理的物流送货方式将产品安全送达规定地点;
4. 产品在运送过程中,如果由于运输原因,致使产品损坏,我公司将与用户协商解决办法,直到达到用户满意为止;
5. 产品在货物送达时,经验货如果发现有漏货、错货或短货等数量上问题,在接到通知后,将立即派人到现场进行服务和处理;
6. 在用户使用过程中,如果发现由于我公司方面的责任引起的产品质量问题,我公司在接到通知后,保证在1小时内作出答复;对需要派工程师处理的,保证立即指派技术人员到达现场排除问题,不需要到现场服务的,一定当好参谋,为用户提供最佳处理方案;
7、我公司派人到用户现场服务的,应与用户电话商定到达日期,假如由于某种客观原因,不能如期到达,必须事前通知用户,并说明原因或采取相应措施,保证用户不受损失或把损失降到最低程度。