在三相电路的功率测量中,主要测量方法有二瓦计法和三瓦计法两种方法。对于不同的接线方式场合,应选择恰当的功率测量方式,才能得到准确的功率参数。但是由于部分使用者对于这两种方法适用的场合不够清晰,因此在选择二瓦计或者三瓦计法进行三相功率测试时,极易造成混淆,从而导致选择了错误的测量方法。
那么究竟在什么样的情况下使用两瓦计法,什么样的情况下采用三瓦计法进行三相功率的测量呢?本文从三相电路功率测量的原理角度下分析这两种方法的异同以及分别适用的场合。
二瓦计法的理论依据是基尔霍夫电流定律,即:在集总电路中,任何时刻,对任意结点,所有流入流出结点的支路电流的代数和恒等于零。也就是说,两根火线的流入电流等于第三根火线的流出电流,或者说,三根火线的电流的矢量和等于零,即:
ia+ib+ic=0 (1)
假设三相负载的中线为N,依据电压的定义:
uab=uan-ubn,ucb=ucn-ubn (2)
三相瞬时功率:
p=uan*ia+ubn*ib+ucn*ic, (3)
将式(1)和式(2)代入式(3),得:
p=uan*ia+(-ubn*ia+ubn*ia)+ubn*ib+ucn*ic
=uab*ia+ubn(ia+ib)+ucn*ic
=uab*ia+ubn(-ic)+ucn*ic
=uab*ia+ucb*ic。
有功功率等于瞬时功率在一个周期内求积分再求平均,得到:
P=P1+P2
P为三相电路有功功率的总和,P1为uab*ia在一个周期内的积分的平均值,P2为ucb*ic在一个周期内的平均值。在正弦稳态电路中:
P=UAB*IA*cosφAB+UCB*IC*cosφCB
即:
P1=UAB*IA*cosφAB
P2=UCB*IC*cosφCB
式中,UAB、IA、UCB、IC均为正弦电压电流的有效值,φAB为UAB和IA的相位差,φCB为UCB和IC的相位差。
从变换的公式中可以看出,采用这种方法进行三相总功率测量时,只需要测量两个电压和两个电流,这就是二瓦计法的推导原理及由来。
二瓦计法测量时,三相电路总功率等于两块功率表的功率之和,每块功率表测量的功率本身无物理意义。
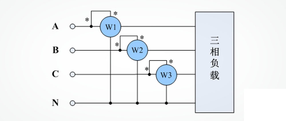
图1.二瓦计法功率表接线示意图
图1中,单相功率表或三相功率表的某一相W1测量的是P1=UAB*IA*cosφAB,W2测量的是P2=UCB*IC*cosφCB。则三相电路总功率为:P=P1+P2。
由于二瓦计法的理论依据是基尔霍夫电流定律,适用于在三相回路中只有三个电流存在的场合,如:
1、 三相三线制接法中线不引出(只能采用两瓦计法);
2、 三相三线制接法中线引出但不与地线或试验电源相连的场合,与是否三相平衡无关。如果以瞬时值表示的话,即:
pa=ua*ia,pb=ub*ib,pc=uc*ic,
那么三相瞬时功率:
p=pa+pb+pc,
则三相总有功功率为:
P=PA+PB+PC
在正弦稳态电路中,
PA=UA*IA*cosφA
PB=UB*IB*cosφB
PC=UC*IC*cosφC
其中φA、φB、φC分别为UA与IA、UB与IB、UC与IC的相位差角。
三瓦计法功率表接线示意图
二瓦计法只适合于三相对称电路的功率测量。
这种说法显然是不正确的。
首先,二瓦计法的证明中,只有ia+ib+ic=0的假设,并没有要求三相对称。
其次,如果三相负载完全对称,那么只需要一个功率表(比如PA)即可得出三相总功率,即P=3PA,二瓦计法也失去了意义。
用二瓦计法测量三相四线制的总功率。
由于三相四线制有四个电流(ia、ib、ic和in),而二瓦计法依据的是基尔霍夫电流定律,在三相回路中,三相电流矢量之和必须等于零。但是在三相四线制回路中,会产生零序电流分量,这就使得ia+ib+ic≠0,因此,二瓦计法不适用三相四线制的总功率测量,三相四线制系统应采用三瓦计法。

服务理念
湖北中试高测电气控股有限公司始终坚持"精心打造精品、优质回报客户"的宗旨,并严格执行《售后服务承诺书》,我们深信优质、系统、全面、快捷的服务是事业发展的基础。建立完善的销售服务机制,将销售服务工作纳入企业管理范畴,坚持常抓不懈;
主动服务
公司作为领先高新技术企业是电力检测仪器和高压试验设备的研制厂商,是电力、水利、石油、铁路、矿山等相关领域试验解决方案产品的供应商。用心去感知,帮助客户降低成本、提高效率。满足客户的服务期望,不断引导、开发和创造客户消费需求;
差异化服务
公司细分供电系统、发电系统、用电单位和科研院所等,精心设计针对性营销服务方案,打造具有竞争力的客户和业务品牌。秉承"服务为本、诚信经营"的方针,完善服务系统,加强售前、售中、售后服务,对不同地域客户在诸多现场使用产品出现的各种问题及时帮助解决,使用户感到极大方便;
高效服务
高效的服务为公司迎来效益,同时我们以服务促发展,以客户为中心的服务体系,建立健全营销渠道,优化服务流程,改善支撑手段,赢得了广大客户的信任,产品和服务赢得至高市场荣誉;
优质服务
公司推崇5S服务理念,引领服务先进理念,以亲和、细致的服务感动客户,尊重客户,理解客户,持续提供超越客户期望的产品与服务,竭尽所能诚信天下,做客户们永远的伙伴。
服务流程
我们严格执行《售后服务承诺书》,我们深信优质、系统、全面、快捷的服务是事业发展的基础。经过多年的不断探索和进取,我们形成了"以客户为核心、以质量为企业的第一生命"的服务理念。并以严格的管理、先进的技术创建国内一流的服务企业为目标,制定了规范管理制度,严格过程控制,保证产品质量,达到顾客满意的质量方针,坚持"用户第一"的原则,构建良好的销售服务体系,为客户提供优质的售前、售中及售后服务!
1. 尊敬的的用户,不论您有何种需求:只要您拨打湖北中试高测电气控股有限公司统一服务热线 027-83982728 剩下的事有我们来做;
2. 我们的服务专员将会给您提供专业的产品咨询和技术解答;
3. 了解您的诉求,建立产品服务记录,并与您协商确定售后服务方式;
4. 如有需要,我们会第一时间安排专业的技术工程师按与您约定的时间准时到达试验现场;
5. 工程师将向您详细地讲解产品的工作原理和实验操作步骤;
6. 工程师将现场指导您完成整个试验过程,并对您提出的技术问题给予专业的解答;
7. 工程师还会为您购买的武汉中试产品进行全面检测,如有故障,将一并解决;
8. 服务完成后请您对我们的服务提出宝贵的意见或建议,服务信息将同步到售后服务中心;
9. 售后服务中心将积极跟进服务进度,并定期跟踪回访。
售后服务承诺书
一、售前服务承诺
1. 提供专业咨询。在2小时之内答复您提出的专业技术问题;
2. 提供详细资料。在4小时之内将您所需要的技术资料邮出,并争取您能在两日内收到;
3. 提供合理报价。在2小时之内为您提供合理报价;
4. 提供考察接待。随时接待您的考察,并尽力为您的考察工作提供各种便利条件。
二、售中服务承诺
1. 采用全国统一的《工业品买卖合同》与您签订合同和技术协议;
2. 自觉遵守合同法的规定,确保合同及技术协议顺利履行;
3. 竭力按时按量为您提供优质产品,并采用最优运输方式,确保您收到货物完好无缺;
4. 积极与使用人员沟通,尊重用户安排,为用户提供周到的技术支持;
5. 按合同的规定为您提供送检、安装、调试及培训等服务;
6. 无论合同大小,所有客户在价格及服务方面都是公平的。
三、售后限时服务承诺
1. 我们将按照客户的要求提供相关的技术培训和技术资料;
2. 产品有质量问题,三年免费保修,终生维护,有合同约定的按合同约定;
3. 我们保证在15分钟内进行电话指导,由您自行排除设备的简单故障;
4. 对于10公斤以下的仪器,在两日内排除故障或提供新的设备供您暂时使用,直到损坏设备修好为止;
5. 对于10公斤以上的仪器,在三日内排除故障或提供新的设备供您暂时使用,直到损坏设备修好为止;
6. 我们对所销售的设备3年免费维护,终生维修,长期提供备品备件,软件免费升级,有合同约定的除外。
服务相关说明
1. 我公司愿为用户提供各种技术咨询,当好参谋,并提供有关技术资料,如产品样本、图片、产品说明书;
2. 对于用户来电、来函及来人询价访问,我公司将热情接待,及时给予答复;
3. 我公司配有送货专车,对于客户确定合作之后,我们会选择合理的物流送货方式将产品安全送达规定地点;
4. 产品在运送过程中,如果由于运输原因,致使产品损坏,我公司将与用户协商解决办法,直到达到用户满意为止;
5. 产品在货物送达时,经验货如果发现有漏货、错货或短货等数量上问题,在接到通知后,将立即派人到现场进行服务和处理;
6. 在用户使用过程中,如果发现由于我公司方面的责任引起的产品质量问题,我公司在接到通知后,保证在1小时内作出答复;对需要派工程师处理的,保证立即指派技术人员到达现场排除问题,不需要到现场服务的,一定当好参谋,为用户提供最佳处理方案;
7、我公司派人到用户现场服务的,应与用户电话商定到达日期,假如由于某种客观原因,不能如期到达,必须事前通知用户,并说明原因或采取相应措施,保证用户不受损失或把损失降到最低程度。