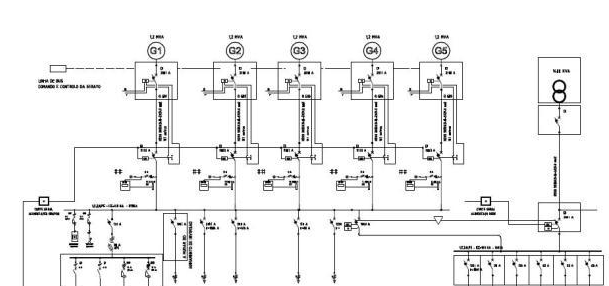
非同期并列是发电厂的一种严重事故,它对有关设备如发电机及其与之相串联的变压器、开关等破坏力极大,严重时会将发电机线圈烧毁端部变形,即使当时没有立即将设备损坏,也可能造成严重的隐患。就整个电力系统来讲,如果一台大型机组发生非同期并列则影响很大,有可能使这台发电机与系统间产生功率振荡严重地扰乱整个系统的正常运行,甚至造成崩溃。
一、准同期并列条件
准同期并列的理想条件是:发电机的频率、电压及相位与系统相同(事实上绝对相同是极难做到的)。一般在发电厂只需符合下列条件便可并列:电压差不大于额定值Ue 的5%-10%, 频率差不大于额定值fe 的0.2%-0.5%;相位差小于10°。这3个条件被称为“实际并列条件”。
二、非同期并列危害
发电机的电压、相位及频率与系统不符合实际并列条件的并列,被称为非同期并列。
电压不等。假设发电机与系统的频率、相位完全相同,只是电压不等,则并列之前发电机高压油开关主触头间就存在电压差,并列时将会产生无功冲击电流。电压差愈大,冲击电流也愈大,其产生的电动力将使发电机和有关的电器设备受到损伤。
相位不等。假若发电机频率、电压与系统完全相同,只是发电机电压与系统的电压相位不等。因为存在相位差,所以并列之前发电机油开关主触头间就存在电位差。在这种条件之下并列,将会产生有功冲击电流。其引起的后果是:假如发电机电压相位滞后于系统,则使发电机突然加速;假若发电机电压相位超前于系统,则会使发电机突然减速。发电机不论是加速还是减速,都将对其产生不良的影响,轻者使发电机短时抖动,重者使其主轴扭伤,破坏其转子。
频率不等。假如发电机的电压、相位与系统完全相同,只是频率不等,在这种情况下并列,情况与相位不同时所产生的后果相类似,会产生有功冲击电流。频率相差愈大,出现的冲击电流也愈大,这使得发电机要经过很长时间才能与系统同期,甚至不会达到同期。
三、非同期并列产生原因
运行人员操作不当造成的非同期并列。有些运行人员总认为并网是一项很熟练的操作,就不严格执行操作票制度,领导也麻痹大意,不认真审核,同期控制开关忘合或打错位置,造成非同期并网。
交流电压回路、同期回路有问题(包括电压互感器的一、二次接线错误)。准同期并网必须依靠同期检查装置来判断是否满足同期条件,而同期检查装置测量的都是电压互感器的二次电压,如果互感器的接线错误、交流电压回路和同期回路有问题,同期检查装置就会发生错误的判断,造成非同期并网。
直流系统接地、主开关控制回路故障。主开关控制回路发生两点接地及其他一些故障,会使合闸回路自己接通,在发电机起动过程中给上控制电源就会造成非同期并网。
同期检查继电器、自动准同期装置故障,就无法判断它们的真实性和准确性,这时进行并网,也会发生非同期并网。
主开关机械故障合闸速度慢,当同期装置确认同期发出合闸命令,而主开关合闸速度慢就会错过同期的时间,造成非同期并网。
四、同期检测及闭锁装置
同期闭锁装置的原理和应用目前,为了防止手动操作失误或自动并列装置失灵而造成非同期并列,人们在同期操作回路中安装了同期闭锁装置。一般情况下,同期检查继电器常闭接点,当待并的发电机电压和系统电压差及相位角大于整定值时,常闭接点打开,阻止合闸脉冲发出,从而起到了闭锁保护作用。
五、防止非同期并列的措施
1.发电机非同期并列的处理
发电机的非同期并列应根据事故现象正确判断处理。当同期条件相差不悬殊时,发电机无强烈的振动和轰鸣声,且表计摆动能很快区域缓和,则不必停机,机组会很快被系统拉入同步,进入稳定运行状态。若非同期并列对发电机产生很大的冲击和引起强烈的振动,表计摆动且不衰减时,应立即解列停机,待试验检查确认机组无损坏后,方可重新启机并列。待发电机转动停止后,测量定子绕组绝缘电阻,并打开发电机端盖,检查定子绕组端部有无变形,查明确无受损后方可再次起动。

服务理念
湖北中试高测电气控股有限公司始终坚持"精心打造精品、优质回报客户"的宗旨,并严格执行《售后服务承诺书》,我们深信优质、系统、全面、快捷的服务是事业发展的基础。建立完善的销售服务机制,将销售服务工作纳入企业管理范畴,坚持常抓不懈;
主动服务
公司作为领先高新技术企业是电力检测仪器和高压试验设备的研制厂商,是电力、水利、石油、铁路、矿山等相关领域试验解决方案产品的供应商。用心去感知,帮助客户降低成本、提高效率。满足客户的服务期望,不断引导、开发和创造客户消费需求;
差异化服务
公司细分供电系统、发电系统、用电单位和科研院所等,精心设计针对性营销服务方案,打造具有竞争力的客户和业务品牌。秉承"服务为本、诚信经营"的方针,完善服务系统,加强售前、售中、售后服务,对不同地域客户在诸多现场使用产品出现的各种问题及时帮助解决,使用户感到极大方便;
高效服务
高效的服务为公司迎来效益,同时我们以服务促发展,以客户为中心的服务体系,建立健全营销渠道,优化服务流程,改善支撑手段,赢得了广大客户的信任,产品和服务赢得至高市场荣誉;
优质服务
公司推崇5S服务理念,引领服务先进理念,以亲和、细致的服务感动客户,尊重客户,理解客户,持续提供超越客户期望的产品与服务,竭尽所能诚信天下,做客户们永远的伙伴。
服务流程
我们严格执行《售后服务承诺书》,我们深信优质、系统、全面、快捷的服务是事业发展的基础。经过多年的不断探索和进取,我们形成了"以客户为核心、以质量为企业的第一生命"的服务理念。并以严格的管理、先进的技术创建国内一流的服务企业为目标,制定了规范管理制度,严格过程控制,保证产品质量,达到顾客满意的质量方针,坚持"用户第一"的原则,构建良好的销售服务体系,为客户提供优质的售前、售中及售后服务!
1. 尊敬的的用户,不论您有何种需求:只要您拨打湖北中试高测电气控股有限公司统一服务热线 027-83982728 剩下的事有我们来做;
2. 我们的服务专员将会给您提供专业的产品咨询和技术解答;
3. 了解您的诉求,建立产品服务记录,并与您协商确定售后服务方式;
4. 如有需要,我们会第一时间安排专业的技术工程师按与您约定的时间准时到达试验现场;
5. 工程师将向您详细地讲解产品的工作原理和实验操作步骤;
6. 工程师将现场指导您完成整个试验过程,并对您提出的技术问题给予专业的解答;
7. 工程师还会为您购买的武汉中试产品进行全面检测,如有故障,将一并解决;
8. 服务完成后请您对我们的服务提出宝贵的意见或建议,服务信息将同步到售后服务中心;
9. 售后服务中心将积极跟进服务进度,并定期跟踪回访。
售后服务承诺书
一、售前服务承诺
1. 提供专业咨询。在2小时之内答复您提出的专业技术问题;
2. 提供详细资料。在4小时之内将您所需要的技术资料邮出,并争取您能在两日内收到;
3. 提供合理报价。在2小时之内为您提供合理报价;
4. 提供考察接待。随时接待您的考察,并尽力为您的考察工作提供各种便利条件。
二、售中服务承诺
1. 采用全国统一的《工业品买卖合同》与您签订合同和技术协议;
2. 自觉遵守合同法的规定,确保合同及技术协议顺利履行;
3. 竭力按时按量为您提供优质产品,并采用最优运输方式,确保您收到货物完好无缺;
4. 积极与使用人员沟通,尊重用户安排,为用户提供周到的技术支持;
5. 按合同的规定为您提供送检、安装、调试及培训等服务;
6. 无论合同大小,所有客户在价格及服务方面都是公平的。
三、售后限时服务承诺
1. 我们将按照客户的要求提供相关的技术培训和技术资料;
2. 产品有质量问题,三年免费保修,终生维护,有合同约定的按合同约定;
3. 我们保证在15分钟内进行电话指导,由您自行排除设备的简单故障;
4. 对于10公斤以下的仪器,在两日内排除故障或提供新的设备供您暂时使用,直到损坏设备修好为止;
5. 对于10公斤以上的仪器,在三日内排除故障或提供新的设备供您暂时使用,直到损坏设备修好为止;
6. 我们对所销售的设备3年免费维护,终生维修,长期提供备品备件,软件免费升级,有合同约定的除外。
服务相关说明
1. 我公司愿为用户提供各种技术咨询,当好参谋,并提供有关技术资料,如产品样本、图片、产品说明书;
2. 对于用户来电、来函及来人询价访问,我公司将热情接待,及时给予答复;
3. 我公司配有送货专车,对于客户确定合作之后,我们会选择合理的物流送货方式将产品安全送达规定地点;
4. 产品在运送过程中,如果由于运输原因,致使产品损坏,我公司将与用户协商解决办法,直到达到用户满意为止;
5. 产品在货物送达时,经验货如果发现有漏货、错货或短货等数量上问题,在接到通知后,将立即派人到现场进行服务和处理;
6. 在用户使用过程中,如果发现由于我公司方面的责任引起的产品质量问题,我公司在接到通知后,保证在1小时内作出答复;对需要派工程师处理的,保证立即指派技术人员到达现场排除问题,不需要到现场服务的,一定当好参谋,为用户提供最佳处理方案;
7、我公司派人到用户现场服务的,应与用户电话商定到达日期,假如由于某种客观原因,不能如期到达,必须事前通知用户,并说明原因或采取相应措施,保证用户不受损失或把损失降到最低程度。