一、测量介质损耗因素的意义
电压作用下电介质中产生的一切损耗称为介质损耗或介质损失。如果介质损耗很大,会使电介质温度升高,促使材料发生老化,如果介质温度不断上升,甚至会把电介质融化、烧焦,丧失绝缘能力,导致热击穿,因此,电介质损耗的大小是衡量绝缘介质电性能的一项重要指标。
然而不同设备由于运行电压、结构尺寸等不同,不能通过介质损耗的大小来衡量对比设备好坏。
因此引入了介质损耗因数:tgδ(又称介质损失角正切值)的概念。
介质损耗因数的定义是:
介质损耗因数:tgδ只与材料特性有关,与材料的尺寸、体积无关,便于不同设备之间进行比较。
测量介质损耗因数:tgδ判断电气设备的绝缘状况是一种传统的、十分有效的方法。它能反映出绝缘的一系列缺陷,如绝缘受潮,油或浸渍物脏污或劣化变质,绝缘中有气隙发生放电等。这时流过绝缘的电流中有功分量IRX增大了,:tgδ也加大。
按照电力设备预防性试验规程的规定,对多种电力设备(如电力变压器、发电机组、高压开关、电压电流互感器、套管、耦合电容等)都需要做介质损耗因素(:tgδ)的测量。
所以:tgδ试验是一项必不可少而且非常有效的试验。能较灵敏地反映出设备绝缘情况,发现设备缺陷。
二、介质损耗因数(tgδ)测量原理
介质损耗测量电桥分类:
(一)西林电桥(如QS1)
1.西林电桥简介
西林电桥即QS1电桥是80年代以前广泛使用的现场介损测试仪器。试验时需配备外部标准电容器(如BR16型标准电容器),以及10kV升压器及电源控制箱。需要调节平衡,结果需要换算,使用不太方便。
2.西林电桥工作原理
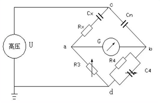
高压西林电桥是由:交流阻抗器、转换开关、检流计、高压标准电容器等组成。调节R3、C4使电桥平衡,此时a、b两点电压幅值相位完全相等,即R3、C4两端电压相等。
3.西林电桥测量原理
经过运算,按复数相等实部、虚部分别相等的规定可得到:
按串连模型介损定义:由于R4是固定的3184Q,频率是50Hz、C4单位为uF时,tgδ=C4,因此可以在C4刻度盘上读出介损,通过R3、R4、Cn可以计算Cx。
现场使用QS1电桥时,需要先将升压装置,标准电容器和电桥等进行连线,然后调节R3和C4,使得检流计指示为零。这时电桥平衡。读得C4值即为tgδ值,R3值经过计算可得出被试品电容值。总之现场操作使用都比较麻烦,抗干扰能力差,已经不能适应现在电气试验工作的需要。
(二)电流比较仪电桥(如QS30)
1.电流比较仪电桥工作原理
特点是测晕精度高,适合实验室高精度测量,电流比较仪电桥的工作原理是采用安匝平衡的原理。平衡过程见右图,当交流电源加在试品、标准电容器和电桥及地之间,在试品上产生一个电流1x,在标准电容器上也产生一个电流ln,当两个电流流过Wx、Wn时,由于lx、ln两个电流的相位、幅值不相同,使Wd 有电流ld产生,通过调整Wx、Wn、C、R使lx、Iln两个电流的幅值相同,相位相反。
(三)数字型高压介损测试仪(目前广泛使用的介损仪)
1.基本介绍
数字高压介损测试仪基本测量原理是基于传统西林电桥的原理基础上,测量系统通过标准侧R4和被试侧R3分别将流过标准电容器和被试品的电流信号进行高速同步采样,经模数(A/D)转换装置测量得到两组信号波形数据,再经计算处理中心分析系统,分别得出标准侧和被试侧正弦信号的幅值、相位关系,从而计算出被试品的电容量及介损值。
2. 工作原理
特点:测量系统一值化,粗线简单;无机械调节部件,测量过程全自动;便于实现抗干机,数据准确可靠。数字型高压介损测试仪内部组成由显示控制单元(人机界面,控制仪器的测量过程)、可程控的电子调压10kV高压电源(产生测量用的高压电源一般可以从0.5kV-10kV连续平缓升压)、测量部分(完成对标准回路和被试回路电流信号实时同步采样,由计算机分析计算出tg6及电容量)这三部分构成。
三、介质损耗因数(tgδ)测量方式
(一)正接线UST
试品不接地,桥体E端接地,在需要屏蔽的场合,E端也可用于屏蔽。此时桥体处于地电位,R3、C4可安全调节,各种介损测试仪器正接线接线方法基本一致。
(二)反接线GST
这是一种标准反接线接法,在试品接地,桥体U端接地,E端为高压端,在需要屏蔽的场合,E端也可用于屏蔽。此时桥体处于高电位,R3、C4需通过绝缘杆调节。
这种方式桥体处于高电位,仪器内部高低压之间需要做好绝缘防护措施。
(三)自激法测量CVT
由于C1较C2电容量要小,所以测量C2时,C1与Cn串联等效的误差就比较大。为了减小这种测量误差,我们在测量C2的时候,以C1作为电桥的标准电容器,这样可测得C2相对C1的容量比及相对介损值,由于第一次已经将C1的介损及电容量测出,通过c1就可以推算出C2的值。
另外用于串联C1与标准电容器的导线对地电容与C1、Cn形成了T型网络,对测量精度有影响。为了减小这种影响,一般可以采用将导线悬空减小对地电容的办法,目前有些仪器已经加了补偿算法。
四、抗干扰方法
(一)干扰源
介损测量受到的主要干扰是感应电场产生的工频电流。无论何种测量方式,它都会进入桥体。
(二)倾向法
测量一次介损,然后将试验电源倒相180度再测量一次,取平均值。倒相法是抗干扰最简单的方法,也是效果最差的方法。因为两次测量之间干扰电流或试品电流的幅度会发生波动,会引起明显误差。
(三)移向法
另一种工频抗干扰方法是采用大功率移相电源,调整试验高压的相位,使试品电流与干扰电流方向相同或相反,这样干扰电流影响减小,再配合倒相测量,能大大提高测量精度。
再一种方法是采用小功率调幅调相信号源,从R3桥臂上抵消干扰电流(干扰抵偿法),再配合倒相测量,能大大提高测量精度。这种方法也是采用工频抗干扰的最佳方法。
(四)变频法
干扰十分严重时,变频测量能显示更强的抗干扰能力。例如用55Hz测量时,测量系统采用了数字滤波技术,只允许55Hz信号通过,50Hz干扰信号被有效抑制。变频测量时,仪器对流过标准电容的电流ln和被试品的电流1x进行实时同步采样。得到两组包含有干扰及信号源的混合信号,仪器再运用快速傅立叶变换算法,将混合信号中信号源的信号(如55Hz信号)与干扰源(如50Hz信号)信号分离。这样就很容易把我们关心的信号源信号分离出来。达到了抗干扰的目的。
由于介损值与试验频率有关,为了更好地与50Hz下的介损值等效,通常仪器分别采用50Hz士5Hz进行两次测量,再取平均值得到等效50Hz的介损值。为了使试验频率更接近50Hz,有时也采用50Hz士2.5Hz进行测量。

服务理念
湖北中试高测电气控股有限公司始终坚持"精心打造精品、优质回报客户"的宗旨,并严格执行《售后服务承诺书》,我们深信优质、系统、全面、快捷的服务是事业发展的基础。建立完善的销售服务机制,将销售服务工作纳入企业管理范畴,坚持常抓不懈;
主动服务
公司作为领先高新技术企业是电力检测仪器和高压试验设备的研制厂商,是电力、水利、石油、铁路、矿山等相关领域试验解决方案产品的供应商。用心去感知,帮助客户降低成本、提高效率。满足客户的服务期望,不断引导、开发和创造客户消费需求;
差异化服务
公司细分供电系统、发电系统、用电单位和科研院所等,精心设计针对性营销服务方案,打造具有竞争力的客户和业务品牌。秉承"服务为本、诚信经营"的方针,完善服务系统,加强售前、售中、售后服务,对不同地域客户在诸多现场使用产品出现的各种问题及时帮助解决,使用户感到极大方便;
高效服务
高效的服务为公司迎来效益,同时我们以服务促发展,以客户为中心的服务体系,建立健全营销渠道,优化服务流程,改善支撑手段,赢得了广大客户的信任,产品和服务赢得至高市场荣誉;
优质服务
公司推崇5S服务理念,引领服务先进理念,以亲和、细致的服务感动客户,尊重客户,理解客户,持续提供超越客户期望的产品与服务,竭尽所能诚信天下,做客户们永远的伙伴。
服务流程
我们严格执行《售后服务承诺书》,我们深信优质、系统、全面、快捷的服务是事业发展的基础。经过多年的不断探索和进取,我们形成了"以客户为核心、以质量为企业的第一生命"的服务理念。并以严格的管理、先进的技术创建国内一流的服务企业为目标,制定了规范管理制度,严格过程控制,保证产品质量,达到顾客满意的质量方针,坚持"用户第一"的原则,构建良好的销售服务体系,为客户提供优质的售前、售中及售后服务!
1. 尊敬的的用户,不论您有何种需求:只要您拨打湖北中试高测电气控股有限公司统一服务热线 027-83982728 剩下的事有我们来做;
2. 我们的服务专员将会给您提供专业的产品咨询和技术解答;
3. 了解您的诉求,建立产品服务记录,并与您协商确定售后服务方式;
4. 如有需要,我们会第一时间安排专业的技术工程师按与您约定的时间准时到达试验现场;
5. 工程师将向您详细地讲解产品的工作原理和实验操作步骤;
6. 工程师将现场指导您完成整个试验过程,并对您提出的技术问题给予专业的解答;
7. 工程师还会为您购买的武汉中试产品进行全面检测,如有故障,将一并解决;
8. 服务完成后请您对我们的服务提出宝贵的意见或建议,服务信息将同步到售后服务中心;
9. 售后服务中心将积极跟进服务进度,并定期跟踪回访。
售后服务承诺书
一、售前服务承诺
1. 提供专业咨询。在2小时之内答复您提出的专业技术问题;
2. 提供详细资料。在4小时之内将您所需要的技术资料邮出,并争取您能在两日内收到;
3. 提供合理报价。在2小时之内为您提供合理报价;
4. 提供考察接待。随时接待您的考察,并尽力为您的考察工作提供各种便利条件。
二、售中服务承诺
1. 采用全国统一的《工业品买卖合同》与您签订合同和技术协议;
2. 自觉遵守合同法的规定,确保合同及技术协议顺利履行;
3. 竭力按时按量为您提供优质产品,并采用最优运输方式,确保您收到货物完好无缺;
4. 积极与使用人员沟通,尊重用户安排,为用户提供周到的技术支持;
5. 按合同的规定为您提供送检、安装、调试及培训等服务;
6. 无论合同大小,所有客户在价格及服务方面都是公平的。
三、售后限时服务承诺
1. 我们将按照客户的要求提供相关的技术培训和技术资料;
2. 产品有质量问题,三年免费保修,终生维护,有合同约定的按合同约定;
3. 我们保证在15分钟内进行电话指导,由您自行排除设备的简单故障;
4. 对于10公斤以下的仪器,在两日内排除故障或提供新的设备供您暂时使用,直到损坏设备修好为止;
5. 对于10公斤以上的仪器,在三日内排除故障或提供新的设备供您暂时使用,直到损坏设备修好为止;
6. 我们对所销售的设备3年免费维护,终生维修,长期提供备品备件,软件免费升级,有合同约定的除外。
服务相关说明
1. 我公司愿为用户提供各种技术咨询,当好参谋,并提供有关技术资料,如产品样本、图片、产品说明书;
2. 对于用户来电、来函及来人询价访问,我公司将热情接待,及时给予答复;
3. 我公司配有送货专车,对于客户确定合作之后,我们会选择合理的物流送货方式将产品安全送达规定地点;
4. 产品在运送过程中,如果由于运输原因,致使产品损坏,我公司将与用户协商解决办法,直到达到用户满意为止;
5. 产品在货物送达时,经验货如果发现有漏货、错货或短货等数量上问题,在接到通知后,将立即派人到现场进行服务和处理;
6. 在用户使用过程中,如果发现由于我公司方面的责任引起的产品质量问题,我公司在接到通知后,保证在1小时内作出答复;对需要派工程师处理的,保证立即指派技术人员到达现场排除问题,不需要到现场服务的,一定当好参谋,为用户提供最佳处理方案;
7、我公司派人到用户现场服务的,应与用户电话商定到达日期,假如由于某种客观原因,不能如期到达,必须事前通知用户,并说明原因或采取相应措施,保证用户不受损失或把损失降到最低程度。