一、前言
直流电阻的测量是变压器、互感器、电抗器、电磁操作机构等感性线圈制造中半成品、成品出厂试验、安装、交接试验及电力部门预防性试验的必测项目,能有效发现感性线圈的选材、焊接、连接部位松动、缺股、断线等制造缺陷和运行后存在的隐患。
为了满足感性线圈直流电阻快速测量的需要,我公司利用自身技术优势研制了手持式直流电阻测试仪测试。相比传统的直流电阻测试仪,有以下优势:采用全新电源技术,具有体积小、重量轻、携带方便、输出电流大、量程宽、数字显示、内部锂电池供电等特点。
整机由单片机控制,自动完成自检、数据处理、显示等功能,具有自动放电和放电提示功能。仪器测试精度高,操作简便,可实现直阻的快速测量。
二、系统展示及结构介绍
1、 电源开关:整机电源开关。
2、 充电接口:当无外接电池使用时,为仪器内置电池的充电端口,当有外接备用电池连接时,为外置电池的充电端口,只可使用专用配套充电器,充电时尽量不要开机工作。
3、 I+、I-:电流输出端子,红色是正极,黑色是负极。
4、 V+、V-:电压输入端子,红色是正极,黑色是负极
5、 显示器:128*64点阵液晶显示屏,显示菜单、电流和电阻值等。
6、 对比度:可调整显示字符的对比度。
7、 复位键:按下此按键本机处于初始状态,可对输出电流进行预置。
8、 循环键:按此键光标在主菜单循环滚动
9、 选择: 本机复位后,按此键进行电流预置。
10、 确认:输出电流选择完毕后按下此键,由微机控制实现全部测试过程。
11、 外接电池接口,当仪器内部电池电量不足 时,可外接备用电池继续工作。
12、 电量显示:仪器开机或工作时显示所使用电池电量(如果外接备用电池时显示备用电池电量)
三、测试方法
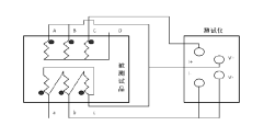
A: 单相测量法,见下图
图二
B、助磁法接线见图三~五(适用于Y(N)-d-11联接组别)。
图三
图四
图五
对于大容量的变压器的低压侧测量时,如果在既有的情况下,直流电阻测试仪的最大电流比较小,或者为了加快测量速度,可选择助磁法测量。上图中,图三、图四、图五分别为测量低压Rac、Rba、Rcb的接线方法。
四、安全措施事项
1、使用本仪器前一定要认真阅读本手册。
2、仪器的操作者应具备一般电气设备或仪器的使用常识。
3、本仪器户内外均可使用,但应避开雨淋、腐蚀气体、尘埃过浓、高温、阳光直射等场所使用。仪表应避免剧动。
4、对仪器的维修、护理和调整应由专业人员进行。
5、测试完毕后一定要等放电报警声停止后再关闭电源,拆除测试线。
6、测量无载调压变压器,一定要等放电指示报警音停止后,切换档位。
7、测试过程中,禁止移动测试夹和供电线路。

服务理念
湖北中试高测电气控股有限公司始终坚持"精心打造精品、优质回报客户"的宗旨,并严格执行《售后服务承诺书》,我们深信优质、系统、全面、快捷的服务是事业发展的基础。建立完善的销售服务机制,将销售服务工作纳入企业管理范畴,坚持常抓不懈;
主动服务
公司作为领先高新技术企业是电力检测仪器和高压试验设备的研制厂商,是电力、水利、石油、铁路、矿山等相关领域试验解决方案产品的供应商。用心去感知,帮助客户降低成本、提高效率。满足客户的服务期望,不断引导、开发和创造客户消费需求;
差异化服务
公司细分供电系统、发电系统、用电单位和科研院所等,精心设计针对性营销服务方案,打造具有竞争力的客户和业务品牌。秉承"服务为本、诚信经营"的方针,完善服务系统,加强售前、售中、售后服务,对不同地域客户在诸多现场使用产品出现的各种问题及时帮助解决,使用户感到极大方便;
高效服务
高效的服务为公司迎来效益,同时我们以服务促发展,以客户为中心的服务体系,建立健全营销渠道,优化服务流程,改善支撑手段,赢得了广大客户的信任,产品和服务赢得至高市场荣誉;
优质服务
公司推崇5S服务理念,引领服务先进理念,以亲和、细致的服务感动客户,尊重客户,理解客户,持续提供超越客户期望的产品与服务,竭尽所能诚信天下,做客户们永远的伙伴。
服务流程
我们严格执行《售后服务承诺书》,我们深信优质、系统、全面、快捷的服务是事业发展的基础。经过多年的不断探索和进取,我们形成了"以客户为核心、以质量为企业的第一生命"的服务理念。并以严格的管理、先进的技术创建国内一流的服务企业为目标,制定了规范管理制度,严格过程控制,保证产品质量,达到顾客满意的质量方针,坚持"用户第一"的原则,构建良好的销售服务体系,为客户提供优质的售前、售中及售后服务!
1. 尊敬的的用户,不论您有何种需求:只要您拨打湖北中试高测电气控股有限公司统一服务热线 027-83982728 剩下的事有我们来做;
2. 我们的服务专员将会给您提供专业的产品咨询和技术解答;
3. 了解您的诉求,建立产品服务记录,并与您协商确定售后服务方式;
4. 如有需要,我们会第一时间安排专业的技术工程师按与您约定的时间准时到达试验现场;
5. 工程师将向您详细地讲解产品的工作原理和实验操作步骤;
6. 工程师将现场指导您完成整个试验过程,并对您提出的技术问题给予专业的解答;
7. 工程师还会为您购买的武汉中试产品进行全面检测,如有故障,将一并解决;
8. 服务完成后请您对我们的服务提出宝贵的意见或建议,服务信息将同步到售后服务中心;
9. 售后服务中心将积极跟进服务进度,并定期跟踪回访。
售后服务承诺书
一、售前服务承诺
1. 提供专业咨询。在2小时之内答复您提出的专业技术问题;
2. 提供详细资料。在4小时之内将您所需要的技术资料邮出,并争取您能在两日内收到;
3. 提供合理报价。在2小时之内为您提供合理报价;
4. 提供考察接待。随时接待您的考察,并尽力为您的考察工作提供各种便利条件。
二、售中服务承诺
1. 采用全国统一的《工业品买卖合同》与您签订合同和技术协议;
2. 自觉遵守合同法的规定,确保合同及技术协议顺利履行;
3. 竭力按时按量为您提供优质产品,并采用最优运输方式,确保您收到货物完好无缺;
4. 积极与使用人员沟通,尊重用户安排,为用户提供周到的技术支持;
5. 按合同的规定为您提供送检、安装、调试及培训等服务;
6. 无论合同大小,所有客户在价格及服务方面都是公平的。
三、售后限时服务承诺
1. 我们将按照客户的要求提供相关的技术培训和技术资料;
2. 产品有质量问题,三年免费保修,终生维护,有合同约定的按合同约定;
3. 我们保证在15分钟内进行电话指导,由您自行排除设备的简单故障;
4. 对于10公斤以下的仪器,在两日内排除故障或提供新的设备供您暂时使用,直到损坏设备修好为止;
5. 对于10公斤以上的仪器,在三日内排除故障或提供新的设备供您暂时使用,直到损坏设备修好为止;
6. 我们对所销售的设备3年免费维护,终生维修,长期提供备品备件,软件免费升级,有合同约定的除外。
服务相关说明
1. 我公司愿为用户提供各种技术咨询,当好参谋,并提供有关技术资料,如产品样本、图片、产品说明书;
2. 对于用户来电、来函及来人询价访问,我公司将热情接待,及时给予答复;
3. 我公司配有送货专车,对于客户确定合作之后,我们会选择合理的物流送货方式将产品安全送达规定地点;
4. 产品在运送过程中,如果由于运输原因,致使产品损坏,我公司将与用户协商解决办法,直到达到用户满意为止;
5. 产品在货物送达时,经验货如果发现有漏货、错货或短货等数量上问题,在接到通知后,将立即派人到现场进行服务和处理;
6. 在用户使用过程中,如果发现由于我公司方面的责任引起的产品质量问题,我公司在接到通知后,保证在1小时内作出答复;对需要派工程师处理的,保证立即指派技术人员到达现场排除问题,不需要到现场服务的,一定当好参谋,为用户提供最佳处理方案;
7、我公司派人到用户现场服务的,应与用户电话商定到达日期,假如由于某种客观原因,不能如期到达,必须事前通知用户,并说明原因或采取相应措施,保证用户不受损失或把损失降到最低程度。