首页 > 新闻中心 > 服务支持<

服务支持
电力电缆交流耐压试验作业指导书
时间:2019-09-22

湖北中试高测电气控股有限公司www.zsgcdq.com为您解答:电力电缆交流耐压试验作业指导书

一.使用范围

橡塑绝缘电力电缆

二.试验类型

例行试验

三.试验依据

GB11017 额定电压110KV铜芯、铝芯交联聚乙烯绝缘电力电缆

GB12906 额定电压35KV及以下铜芯、铝芯塑料绝缘电力电缆

四.测量仪器

交流耐压试验可选用工频耐压试验设备、工频串联谐振耐压试验设备或变频串联谐振耐压试验设备,设备电压及容量由所试电缆的情况确定。

1.试验变压器:额定电流In大于试品所需电流Ix(估算公式为Ix-UwC);高压侧额定电压Un应大于试验所需电压的1.2倍。

2.工频串联谐振耐压设备:

①串联电抗器:耐压应高于试验电压Ux(kV);电感量应近似等于I/(w2Cx)和额定电流应近似等于UwC。

②试验变压器:额定电流In大于试品所需电流Ix(估算公式为Ix=UwC);容量和高压侧额定电压Un可用下式估算:

S>IxUx/Q,kVA(完全补偿时)

Un=S/In,kV

Un>|wL-1/wCx|·Ix(非完全补偿时)

Sn=UnIn,kVA

式中:Q——电抗器的品质因数;

③调压器:容量与试验变压器匹配

3.变频串联谐振耐压试验设备

①串联电抗器:耐压应高于试验电压Ux(KV);电感量和额定电流估算同工频串联谐振。

②试验变压器:额定电流In大于试品所需电流Ix(估算公式同并联谐振);容量和高压侧额定电压Un可用下式估算:

S>IxUx/Q,kVA

Un=S/In,kV

③调压器:容量与试验变压器匹配。

五.试验前准备

根据相关规程或制造次行家的规定值确定试验电压,并根据试验电压和所试电缆的电容及长度选择合适的电源设备,测量仪表和保护电阻。如试验电压较高,则推荐采用串联谐振以降低试验电源的容量,试验前应根据相关数据计算电抗器、变压器的参数,以保证谐振回路能够匹配以达到所需的试验电压和电流。

试验前先进行主绝缘电阻和交叉互联、外护套的试验,各项试验合格后在进行本项试验。

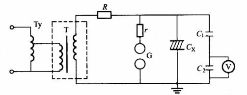
六、接线原理图

1.工频耐压试验接线图

Ty—调压器;T—试验变压器;R—限流电阻;r—球隙保护电阻;

G—球间隙;Cx—被试品;C1、C2—电容分压器;V—电压表

左图­­——工频 串联谐振耐压试验接线图;右图——变频串联谐振耐压试验接线图

七.试验方法

1.检查试验电源、调压器和试验变压器正常。按接线图准备试验,保证所有试验设备、仪表仪器接线正确、指示正确。

2.一切设备仪表接好后,在空载条件下调整保护间隙,其放电电压为试验电压的110%一120%范围内(如采用串联谐振,需要另外的变压器调整保护间隙)。并调整试验电压在高于试验电压5%下维持2 min后将电压降至零,拉开电源。

3.经过限流电阻R在高压侧短路,调整过流保护跳闸的可靠性。

4.电压和电流保护调试检查无误,各种仪表接线正确后,即可将高压引线接到被试绕组上进行试验。

5.升压必须从零开始,升压速度在40%试验电压以内可不受限制,其后应均匀升压,速度约每秒3%的试验电压。升至试验电压后维持规程所规定时间。

6.将电压降至零,拉开电源,该试验结束。

八.试验结果判断依据

如果试验中未发生击穿放电现象,则认为试验通过。

九.注意事项

1.试验前应明确耐压值按制造厂的规定还是按规程规定。

2.电缆交流耐压时间较长,试验期间应注意试验电流的变化,试验前后应测量主绝缘的绝缘电阻

 

 

 

 

 

 

 

 

 

销售热线

  • 400-046-1993全国统一服务热线
  • 销售热线:027-83621138
  • 售后专线:027-83982728
  • 在线QQ咨询: 149650365      
  • 联系我们

 

增值服务

  • 三年质保,一年包换,三个月试用

 

 

 

 


 

版权所有:湖北中试高测电气控股有限公司 鄂TCP备12007755号