首页 > 新闻中心 > 服务支持<

服务支持
一起220kV线路CVT二次接地缺陷的发现及原理分析
时间:2019-09-20

电容式电压互感器(CVT)由电容分压器(包括主电容C1,分压电容C2)、中间变压器(T)、补偿电抗器(L)、保护装置F及阻尼器R0等元件组成。它利用电容分压器将输电电压降到中压(10~20kV),再经过中间变压器降压到100V或100/V,供给计量仪表和继电保护装置使用[2]。

相对于传统的电磁式电压互感器而言,其兼有电压互感器和电力线路载波耦合装置中的耦合电容器两种设备的功能,在实际应用中能可靠阻尼铁磁谐振,因而在电力系统中的应用非常广泛。

在对电力系统设备停电开展例行检修试验时,对电容式电压互感器,需要开展电容分压器绝缘电阻、电容量及介质损耗因数等试验项目[1、4]。对电容分压器进行电容量及介质损耗因数测试时,由于中间变压器一次侧一般在瓷套上无开孔引出,对于下节电容的测量,需要采用自激法进行。

本文结合一起220kV线路CVT自激法电容量试验实例,发现该CVT存在二次刀闸拉开之后二次侧无接地点的缺陷,对发现的问题通过原理分析及实际检验得到了证实。经过处理后,接地恢复,避免了在停电检修过程中,CVT二次可能感应过高电压而给设备及检修人员安全带来的风险。

1现场情况

某日,我公司220kV线路停电检修试验,该线路A相CVT为新东北电气电力电容器有限公司产,设备型号为:TYD220/-0. 005H ,2010年4月出厂,额定电压为220/kV,额定变比为220//0.1//0.1kV, 二次侧包含主二次绕组1a1n和剩余电压绕组dadn,2010年12月10日投产运行。

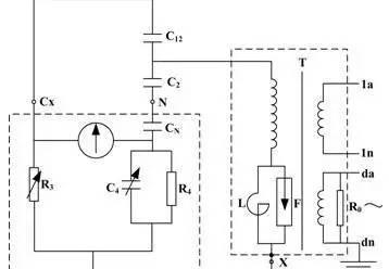
该CVT属一体式结构,由两节瓷套外壳的电容分压器和安装在下部油箱的电磁单元两部分构成,其中,高压电容C11安装在第一节瓷套内,高压电容C12和中压电容C2共装在第二节瓷套内。其结构原理如图1所示。

图1 电容式电压互感器结构原理图

一起220kV线路CVT二次接地缺陷的发现及原理分析

C11、C12—高压电容;C2—中压电容;N、X—电容分压器、中间变压器一次末端;A—载波装置;L、F—补偿电抗器、保护装置;T—中间变压器;1a、1n—主二次绕组端子;da、dn—剩余电压绕组端子;R0—阻尼器。

对该CVT开展例行试验,试验项目包括电容分压器及中间变压器的绝缘电阻试验,及电容分压器的电容量及介质损耗因数测试。对电容分压器及中间变压器进行绝缘电阻试验,所得到的绝缘电阻数据如表1所示,均符合试验规程要求。

表1 电容分压器及中间变压器绝缘电阻试验数据

一起220kV线路CVT二次接地缺陷的发现及原理分析

在对高压电容及中压电容进行电容量及介质损耗因数测试时,所采用的仪器为上海思创电器产HV9003B型介质损耗测试仪,对位于第一节瓷套内的高压电容C11进行测量时,C11顶端经一次引线接地,仪器采用低压屏蔽反接线法,测量电压10kV,屏蔽掉测量过程中流经C12的电流,测得高压电容C11的电容量及介质损耗因数tanδ11如表2所示。

表2 电容分压器电容量及介质损耗因数测试数据

由于C12和C2共装在第二节瓷套内,且中间变压器一次侧在瓷套上无开孔引出,对于下节两只电容的测量,采用自激法,由剩余电压绕组dadn端加压,试验电压2kV,在仪器接好线,检查无误后加压测量时,仪器面板给出指示“测量失败!被试侧短路!”,使测量中止,如图2所示。

图2 测量CVT下节两只电容时仪器面板报错

一起220kV线路CVT二次接地缺陷的发现及原理分析

对于该仪器面板指示,经过仔细检查现场试验环境及仪器接线情况,并未发现有任何异常现象。

2对问题的原理分析

在采用自激法测量该CVT下节两只电容的电容量及介质损耗因数时,对测试仪器面板报错内容进行分析,上海思创产HV9003B型介质损耗测试仪面板示意图如图3所示。

图3 HV9003 B型介质损耗测试仪面板示意图

一起220kV线路CVT二次接地缺陷的发现及原理分析

采用自激法测量该CVT下节两只电容C12和C2的电容量及介质损耗因数原理图如图4所示。

图4-1 自激法测量C12、tanδ12原理图

一起220kV线路CVT二次接地缺陷的发现及原理分析

图4-2 自激法测量C2、tanδ2原理图

一起220kV线路CVT二次接地缺陷的发现及原理分析

如图4-1和图4-2所示,图中左边虚线框中的电路为仪器内部的测量回路,右边虚线框表示CVT电磁单元位于底部油箱中。

由图4可知,采用自激法测量该CVT下节两只电容,是从CVT剩余电压绕组施加激励电压,利用中间变压器T的电磁感应原理,一次侧感应电压,施加电压2kV从高压侧测量,利用该电压进行试验。

对于上海思创产HV9003B型介质损耗测试仪,如图3所示,其自激法所施加激励电压通过专用自激电源线由仪器面板“CVT测试电压”端引出,接至CVT剩余电压绕组“da”端,仪器默认剩余电压绕组“dn”端接地,因此,dadn端所加激励电压即为“da”端与“地”端的电压。

倘若剩余电压绕组“dn”端未接地,即其处于悬空状态,则自激法所施加实际激励电压等值电路如图5所示(图中只简画出所施加电压的剩余电压绕组),从该图中可以看出,“dn”端由于悬空,与“da”端等电位,这与将“da”与“dn”短接后加压效果相同,造成仪器内部识别并给出“被试侧短路!”的判据。

图5 “dn”端悬空时施加激励电压的等值电路

一起220kV线路CVT二次接地缺陷的发现及原理分析

3实际检验及总结

在经过初步分析之后,试验人员对原理分析结果进行了检验,通过万用表对中间变压器二次侧各绕组抽头接地状况进行检查,果然发现中间变压器主二次绕组和剩余电压绕组四个引出端1a、1n、da、dn均处于悬空状态。

对该问题,结合二次图纸与现场实际接线对CVT二次进行检查,CVT二次回路如图6所示(仅画出dadn绕组)。

图6 二次图纸中CVT二次回路图

一起220kV线路CVT二次接地缺陷的发现及原理分析

而现场实际CVT二次接线情况如图7所示。

图7 现场实际CVT二次接线

一起220kV线路CVT二次接地缺陷的发现及原理分析

对比图6和图7,发现实际接地点位于CVT二次刀闸保护装置侧,且由于实际所用二次刀闸4K为双极刀闸,在断开之后,二次绕组无接地点。

在发现该问题后,通过更换二次刀闸,并对回路进行改造,保障改后的实际回路与二次图纸相符,缺陷顺利消除。而后,经过测量,得出CVT下节两只电容C12和C2的电容量和介质损耗因数,如表3所示。

表3 C12和C2的电容量及介质损耗因数测试数据

经过测量所得的CVT所有试验数据均符合规程要求,试验过程顺利结束。

通过该实例可以看出,现场所用二次刀闸与图纸所示不符且未按图纸所示位置设定二次接地点,是造成该CVT二次刀闸拉开之后,失去接地的原因。在CVT停电检修过程中,由于二次侧已无接地点,当对二次绕组进行检修试验时,有可能因附近高压带电体使得二次感应过高电压而给设备及检修人员安全带来的风险。

因此,需要在CVT验收阶段或停电检修试验时,加强对二次接地状况的检查,留心当二次刀闸拉开之后,二次侧是否失去接地。应将现场二次回路元件接线情况及所设置接地点位置与二次图纸对照比较,检查二者是否一致;同时,用万用表测量二次端子与地之间的导通或电阻,当导通指示信号声响或接地电阻为0,证明二次接地良好,否则,应尽快查明原因。

4结束语

一般,CVT中间变压器各二次绕组在运行中均有且仅有一点(1n、dn)接地,但在停电检修时,运维人员在倒闸操作中需要拉开CVT二次刀闸,避免在检修过程中二次侧串电给检修人员带来危险。

但是,倘若在刀闸拉开之后CVT失去二次接地,就有可能在检修中由于二次感应过高电压而给设备及检修人员安全带来风险。所以,不管CVT是否运行,对二次接地位置及接地状况的检查至关重要。不论是在设备交接验收或是在运维检修阶段,都应该加强对该类问题的检查。

 

 

 

 

 

 

 

 

销售热线

  • 400-046-1993全国统一服务热线
  • 销售热线:027-83621138
  • 售后专线:027-83982728
  • 在线QQ咨询: 149650365      
  • 联系我们

 

增值服务

  • 三年质保,一年包换,三个月试用

 

 

 

 


 

版权所有:湖北中试高测电气控股有限公司 鄂TCP备12007755号