首页 > 新闻中心 > 服务支持<
一、电压、电流互感器的概述
典型的互感器是利用电磁感应原理将高电压转换成低电压,或将大电流转换成小电流,为测量装置、保护装置、控制装置提供合适的电压或电流信号。电力系统常用的电压互感器,其一次侧电压与系统电压有关,通常是几百伏~几百千伏,标准二次电压通常是100V和100V/ 两种;而电力系统常用的电流互感器,其一次侧电流通常为几安培~几万安培,标准二次电流通常有5A、1A、0.5A等。
1.电压互感器的原理
电压互感器的原理与变压器相似,如图1.1所示。一次绕组(高压绕组)和二次绕组(低压绕组)绕在同一个铁芯上,铁芯中的磁通为Ф。根据电磁感应定律,绕组的电压U与电压频率f、绕组的匝数W、磁通Ф的关系为:

图1.1 电压互感器原理
2.电流互感器的原理
在原理上也与变压器相似,如图1.2所示。与电压互感器的主要差别是:正常工作状态下,一、二次绕组上的压降很小(注意不是指对地电压),相当于一个短路状态的变压器,所以铁芯中的磁通Ф也很小,这时一、二次绕组的磁势F(F=IW)大小相等,方向相反。
即电流互感器一、二次之间的电流比与一、二次绕组的匝数成反比。

图1.2 电流互感器的原理
3.互感器绕组的端子和极性
电压互感器绕组分为首端和尾端,对于全绝缘的电压互感器,一次绕组的首端和尾端可承受的对地电压是一样的,而半绝缘结构的电压互感器,尾端可承受的电压一般只有几kV左右。常见的用A和X分别表示电压互感器一次绕组的首端和尾端,用a、x或P1、 P2表示电压互感器二次绕组的首端或尾端;电流互感器常见的用L1 、L2分别表示一次绕组首端和尾端,二次绕组则用K1、K2或S1、S2表示首端或尾端,不同的生产厂家其标号可能不一样,通常用下标1表示首端,下标2表示尾端。
当端子的感应电势方向一致时,称为同名端;反过来说,如果在同名端通入同方向的直流电流,它们在铁芯中产生的磁通也是同方向的。标号同为首端或同为尾端的端子而且感应电势方向一致,这种标号的绕组称为减极性,如图1.3a所示,此时A-a端子的电压是两个绕组感应电势相减的结果。在互感器中正确的标号规定为减极性。
4.电压互感器和电流互感器在结构上的主要差别
(1)电压互感器和电流互感器都可以有多个二次绕组,但电压互感器可以多个二次绕组共用一个铁芯,电流互感器则必需是每个二次绕组都必需有独立的铁芯,有多少个二次绕组,就有多少个铁芯。
(2)电压互感器一次绕组匝数很多,导线很细,二次绕组匝数较少,导线稍粗;而变电站用的高压电流互感器一次绕组只有1到2匝,导线很粗,二次绕组匝数较多,导线的粗细与二次电流的额定值有关。
(3)电压互感器正常运行时,严禁将一次绕组的低压端子打开,严禁将二次绕组短路;电流互感器正常运行时,严禁将二次绕组开路。
5.电压互感器型号意义
第一个字母:J—电压互感器。
第二个字母:D—单相;S—三相;C—串级式;W—五铁芯柱。
第三个字母:G—干式,J—油浸式;C—瓷绝缘;Z—浇注绝缘;R—电容式;S—三相;Q-气体绝缘
第四个字母:W—五铁芯柱;B—带补偿角差绕组。 连字符后的字母:GH—高海拔地区使用;TH—湿热地区使用。
6.电流互感器的型号意义
电流互感器的型号由字母符号及数字组成,通常表示电流互感器绕组类型、绝缘种类、使用场所及电压等级等。字母符号含义如下:
第一位字母:L——电流互感器。
第二位字母:M——母线式(穿心式);Q——线圈式;Y——低压式;D——单匝式;F——多匝式;A——穿墙式;R——装入式;C——瓷箱式;Z ——支柱式;V ——倒装式。
第三位字母:K——塑料外壳式;Z——浇注式;W——户外式;G——改进型;C——瓷绝缘;P——中频;Q ——气体绝缘。
第四位字母:B——过流保护;D——差动保护;J——接地保护或加大容量;S——速饱和;Q——加强型。
字母后面的数字一般表示使用电压等级。例如:LMK-0.5S型,表示使用于额定电压500V及以下电路,塑料外壳的穿心式S级电流互感器。LA-10型,表示使用于额定电压10kV电路的穿墙式电流互感器。
二、电压、电流互感器试验步骤
电压互感器和电流互感器共有的试验项目
1.绝缘电阻测量
(1)试品温度应在10-40℃之间;
(2)用HD27052500V兆欧表测量,测量前对被试绕组进行充分放电;
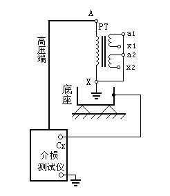
(3)试验接线:电磁式电压互感器需拆开一次绕组的高压端子和接地端子,拆开二次绕组,;测量电容式电压互感器中间变压器的绝缘电阻时,须将中间变压器一次线圈的末端(通常为X端)及C2的低压端(通常为δ)打开,将二次绕组端子上的外接线全部拆开,按图2.1接好试验线路。电流互感器按图2.2接好试验线路。

图2.1 电磁式电压互感器绝缘电阻测量接线

图2.2 电流互感器绝缘电阻测量接线
(4)驱动兆欧表达额定转速,或接通兆欧表电源开始测量,待指针稳定后(或60s),读取绝缘电阻值;读取绝缘电阻后,先断开接至被试绕组的连接线,然后再将绝缘电阻表停止运转;
(5)断开绝缘电阻表后应对被试品放电接地。
关键点:
a.采用2500V兆欧表测量
b.测量前被试绕组应充分放电
c.拆开端子连接线时,拆前必须做好记录,恢复接线后必须认真检查核对
d.当电容式电压互感器一次绕组的末端在内部连接而无法打开时可不测量
e.如果怀疑瓷套脏污影响绝缘电阻,可用软铜线在瓷套上绕一圈,并与兆欧表的屏蔽端连接。
试验要求:
a.与历次试验结果和同类设备的试验结果相比无显著差别;
b.一次绕组对二次绕组及地应大于1000MΩ,二次绕组之间及对地应大于10MΩ。
c.不应低于出厂值或初始值的70%;
d.电容型电流互感器末屏绝缘电阻不宜小于1000MΩ;否则应测量其tanδ。
2.绕组直流电阻测量
(1)对电压互感器一次绕组,宜采用单臂电桥进行测量;
(2)对电压互感器的二次绕组以及电流互感器的一次或二次绕组,宜采用双臂电桥进行测量,如果二次绕组直流电阻超过10Ω,应采用单臂电桥测量;
(3)也可采用HDZRC-10A直流电阻测试仪进行测量,但应注意测试电流不宜超过线圈额定电流的50%,以免线圈发热直流电阻增加,影响测量的准确度。
(4)试验接线:将被试绕组首尾端分别接入电桥,非被试绕组悬空,采用双臂电桥(或数字式直流电阻测试仪)时,电流端子应在电压端子的外侧,见图2.4;
(5)换接线时应断开电桥的电源,并对被试绕组短路充分放电后才能拆开测量端子,如果放电不充分而强行断开测量端子,容易造成过电压而损坏线圈的主绝缘,一般数字式直流电阻测试仪都有自动放电和警示功能;
(6)测量电容式电压互感器中间变压器一、二次绕组直流电阻时,应拆开一次绕组与分压电容器的连接和二次绕组的外部连接线,当中间变压器一次绕组与分压电容器在内部连接而无法分开时,可不测量一次绕组的直流电阻。

图2.4 直流电阻测量接线
关键点:
a.测量电流不宜大于按绕组额定负载计算所得的输出电流的20%
b.当线圈匝数较多而电感较大时,应待仪器显示的数据稳定后方可读取数据,测量结束后应待仪器充分放电后方可断开测量回路。
c.记录试验时环境温度和空气相对湿度;
d.直流电阻测量值应换算到同一温度下进行比较。
结果判断:
与历次试验结果和同类设备的试验结果相比无显著差别。
电压互感器特有的试验项目
1.电压变比测量(包括电容式电压互感器的中间变压器)
方法1:电压表法
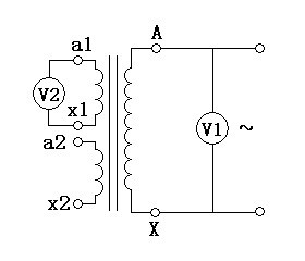
待检互感器一次及所有二次绕组均开路,将调压器输出接至一次绕组端子,缓慢升压,同时用交流电压表测量所加一次绕组的电压U1和待检二次绕组的感应电压U2,计算U1/U2的值,判断是否与铭牌上该绕组的额定电压比(U1n/U2n)相符,见图3.1。
图3.1 电压表法试验接线图
方法2:变比电桥法,参照仪器使用说明书进行。
试验要求:
与铭牌和标志相符。
2.电磁式电压互感器介质损耗因数及电容量测量
(1) 正接法
图示的接线以HD6000介质损耗测试仪为例,实际接线应按所使用的仪器说明书进行接线。

图3.6 正接法接线图
正接线的特点:
a.测量结果主要反映一次绕组和二次绕组之间和端子板绝缘的电容量和介质损耗因数;
b.测量结果不包括铁芯支架绝缘的电容量和介质损耗因数(如果PT底座垫绝缘就可以);
c.测量结果不受端子板的影响;
d.试验电压不应超过3kV(建议为2kV)。
(2) 反接法

图3.7 反接法接线图
反接法的特点
a.测量结果主要反映一次绕组和二次绕组之间、铁芯支架、端子板绝缘的电容量和介质损耗因数;
b.测量结果受端子板的影响;
c.试验电压不应超过3kV(建议为2kV)。
(3) 末端屏蔽法

图3.8 末端屏蔽法接线图
末端屏蔽法的特点:
a.对于串激式电压互感器,测量结果主要反映铁芯下部和二次线圈端部的绝缘,当互感器进水时该部位绝缘容易受潮,所以末端屏蔽法对反映互感器受潮较为灵敏;
b.对于串激式电压互感器,被测量部位的电容量很小,容易受到外部干扰;
C.试验电压可以是10kV;
d.严禁将二次绕组短接。
(4) 末端加压法
末端加压法的特点:
a.不用断开互感器的高压端子,试验中将高压端接地;
b.测量结果主要是反映一、二次线圈间的电容量和介质损耗因数,不包括铁芯支架的电容量和介质损耗因数;
c.由于高压端接地,外部感应电压被屏蔽掉,所以这种方法有较强的抗干扰能力;
d.测量结果受二次端子板绝缘的影响;
e.试验电压不宜超过3kV;
f.严禁将二次绕组短接。

图3.9 末端加压法接线图 图3.10 测量支架的介质损耗因数
(5)串激式电压互感器支架介质损耗因数的测量
测量接线见图3.10,互感器放置于绝缘垫上。由于支架的电容量很小,通常只有几十PF,所以要求介损测量仪应有相应的测量范围。
试验要求及结果判断:
a.采用末端屏蔽法和末端加压法时,严禁将二次绕组短接。
b.串级式电压互感器建议采用末端屏蔽法,其他试验方法与要求自行规定;
c.前后对比宜采用同一试验方法;
d.交接时,35kV以上电压互感器,在试验电压为10kV时,按制造厂试验方法测得的介损不应大于出厂试验值的130%;
e.支架介损一般不大于6%;
f.与历次试验结果相比,应无明显变化;
g.绕组tgδ不应大于规程规定值。
电流互感器特有的试验项目
1.变比试验
方法1:电流法
由调压器及HDSL升流器等构成升流回路,待检TA一次绕组串入升流回路;同时用测量用TA0和交流电流表测量加在一次绕组的电流I1、用另一块交流电流表测量待检二次绕组的电流I2,计算I1/I2的值,判断是否与铭牌上该绕组的额定电流比(I1n/I2n)相符。见图4.1

图4.1 电流互感器变比测量接线图

图4.2 电压法
方法2:电压法
待检CT一次绕组及非被试二次绕组均开路,将调压器输出接至待检二次绕组端子,缓慢升压,同时用交流电压表测量所加二次绕组的电压U2、用交流毫伏表测量一次绕组的开路感应电压U1,计算U2/U1的值,判断是否与铭牌上该绕组的额定电流比(I1n/I2n)相符。
方法3:电流互感器变比测试仪(HDHG-P互感器伏安特性测试仪),按说明书操作。
注意事项:
方法1:测量某个二次绕组时,其余所有二次绕组均应短路、不得开路,根据待检CT的额定电流和升流器的升流能力选择量程合适的测量用CT和电流表;
方法2:二次绕组所施加的电压不宜过高,防止CT铁心饱和
方法3:测量某个二次绕组时,其余所有二次绕组均应短路、不得开路,根据待检CT的额定电流和升流器的升流能力选择合适的测量电流。
结果判断:
与铭牌和标志相符。
2.正立式电容型电流互感器介质损耗因数及电容量测量
测量接线见图4.2。

图4.2 正立式电流互感器介质损耗测量接线
3.倒立式电流互感器HD6000介质损耗因数及电容量测量
(1)SF6绝缘电流互感器不要求测量介质损耗因数;
(2)当二次绕组的金属罩和二次引线金属管内部接地而零屏外引接地时只能采用反接法进行测量;
(3)当二次绕组的金属罩和二次引线金属管与零屏同时外引接地时优先采用正接法进行测量。
判断二次引线金属罩是否在内部接地的方法:如果用正接法测出的电容量比反接法测出的电容量小很多,就说明二次引线金属管已在 内部接地。
注意事项及结果判断:
a.本试验应在天气良好,试品及环境温度不低于+5℃的条件下进行;
b.测试前,应先测量绕组的绝缘电阻;
c.测量时应记录空气相对湿度、环境温度;
d.与历次试验结果和同类设备的试验结果相比无显著差别;
e.绕组tanδ不应大于规程规定值;
f.当测量电容型电流互感器末屏tanδ时,其值不应大于2%。
4.一次绕组交流耐压试验
将二绕组短接并与外壳连接后接地,在一次侧加压。采用调压器及串联谐振装置的试验接线见图4.3。

图4.3 电流互感器一次绕组交流耐压试验
注意事项:
a.耐压试验前确认试品绝缘电阻合格;
b.充油和充气互感器必须静置规定的时间(通常安装后应静止24小时以上);
c.绝缘油试验合格;
d.气体试验合格,耐压在额定气压下进行
e.耐压试验前后,应检查有否绝缘损伤;
f.外施交流耐压试验电压的频率应为45-65HZ;
g.HDYD交流耐压试验时加至试验标准电压后的持续时间,凡无特殊说明者,均为1min;
h.外施耐压试验的电压值应在高压侧进行测量,并应测量电压峰值(试验电压为峰值/ );
i.测量时应记录空气相对湿度、环境温度;
j.拆开试验设备高压引线,测试被试绕组对其他绕组及地绝缘电阻,并与耐压前测试值比较,耐压后绝缘电阻不应降低。
k.试验结束后应对被试品放电接地。
试验要求:
a.试验过程不应发生闪络、击穿现象;
b.外施耐压试验前后,绝缘电阻不应有明显变化。
5.励磁特性(伏安特性)曲线
(1)待检CT一次及所有二次绕组均开路;
(2)将调压器或试验变压器的电压输出高压端接至待检二次绕组的一端,待检二次绕组另一端通过电流表(或毫安表,视量程需要)接地、试验变压器的高压尾端接地,见图4.4;
(3)接好测量用PT、电压表;
(4)缓慢升压,同时读出并记录各测量点的电压、电流值。
(5)依次测量其他二次绕组的励磁特性曲线。
0
图40.4 励磁特性测量
注意事项:
a.试验时应先去磁(可加交流电压平缓升降几次),然后将电压逐渐升至励磁特性曲线的饱和点即可停止;
b.如果该绕组励磁特性的饱和电压高于2kV,则现场试验时所施加的电压一般应在2kV截止,避免二次绕组绝缘承受过高电压;
c.试验时记录点的选择应便于计算饱和点、便于与出厂数据及历史数据进行比较,一般不应少于5个记录点。
试验结果判断:
与历次试验结果或与同类设备的试验结果相比无显著差别。

图4.5 电流互感器的励磁特性曲线
试验数据的判断
5.1 对试验数据的判断方法
(1)与出厂试验数据或安装交接试验数据比较应无明显的变化。 (2)与同类产品比较应无明显的差异。
(3)与历年试验数据比较应无显著的差别。(4)试验结果应符合相关规程的规定。
5.2 数据异常的可能原因
(1)绝缘电阻下降
a.受潮; b.外套脏污; c.绝缘老化变质 d.局部绝缘破损或击穿。
(2)介质损耗因数增大
a.受潮或外套脏污; b.外电场干扰;
c.试验引线或接地线接触不良造成的附加损耗; d.电容屏半击穿状态形成的附加电阻;
e.内部绝缘存在局部放电缺陷; f.绝缘老化、变质造成介质损耗增加;
g.介质损耗随试验电压的下降而增加,说明电容屏绝缘材料有杂质。
(3)电容量增加
a.个别电容元件击穿或电容屏层间绝缘存在击穿问题; b.电容元件或电容屏受潮; c.采用反接线测量时高压引线太长(引线对地电容大)。
(4)电容量减小
a.电容元件之间的连接线或电容屏引线断线或接触不良;
b.油浸式电容器或互感器内部缺油。
(5)直流电阻异常 a.线圈存在匝间短路;
b.线圈存在焊接或接触不良、断线等问题。
(6)励磁特性异常
a.励磁电流增加:绕组存在匝间短路,此时变比也会发生变化;
b.励磁电流变小:绕组存在断线或虚焊问题。
上一篇:电流互感器绕组直流电阻试验
下一篇:电流互感器变比检查试验方法
快速跳转