首页 > 新闻中心 > 服务支持<
下面中试控股详细介绍电缆故障故障点的相关判断方法
1 电缆故障的种类与判断
无论是高压电缆或低压电缆,在施工安装、运行过程中经常因短路、过负荷运行、绝缘老化或外力作用等原因造成故障。电缆故障可概括为接地、短路、断线三类,其故障类型主要有以下几方面:
①三芯电缆一芯或两芯接地。
②二相芯线间短路。
③三相芯线完全短路。
④一相芯线断线或多相断线。

对于直接短路或断线故障用万用表可直接测量判断,对于非直接短路和接地故障,用兆欧表摇测芯线间绝缘电阻或芯线对地绝缘电阻,根据其阻值可判定故障类型。
故障类型确定后,查找故障点并不是一件容易的事情,下面根据笔者的经验,介绍几种查找故障点的方法,供参考。
2 中试控股详细介绍电缆故障点的查找方法
(1) 测声法:
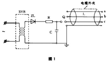
所谓测声法就是根据故障电缆放电的声音进行查找,该方法对于高压电缆芯线对绝缘层闪络放电较为有效。此方法所用设备为直流耐压试验机。电路接线如图1所示,其中SYB为高压试验变压器,C为高压电容器,ZL为高压整流硅堆,R为限流电阻,Q为放电球间隙,L为电缆芯线。
当电容器C充电到一定电压值时,球间隙对电缆故障芯线放电,在故障处电缆芯线对绝缘层放电产生“滋、滋”的火花放电声,对于明敷设电缆凭听觉可直接查找,若为地埋电缆,则首先要确定并标明电缆走向,再在杂噪声音最小的时候,借助耳聋助听器或医用听诊器等音频放大设备进行查找。查找时,将拾音器贴近地面,沿电缆走向慢慢移动,当听到“滋、滋 ”放电声最大时,该处即为故障点。使用该方法一定要注意安全,在试验设备端和电缆末端应设专人监视。
(2) 电桥法:
电桥法就是用双臂电桥测出电缆芯线的直流电阻值,再准确测量电缆实际长度,按照电缆长度与电阻的正比例关系,计算出故障点。该方法对于电缆芯线间直接短路或短路点接触电阻小于1Ω的故障,判断误差一般不大于3m,对于故障点接触电阻大于1Ω的故障,可采用加高电压烧穿的方法使电阻降至1Ω以下,再按此方法测量。
测量电路如图2所示,首先测出芯线a与b之间的电阻R1,则R1=2Rx+R,其中Rx为a相或b相至故障点的一相电阻值,R为短接点的接触电阻。再就电缆的另一端测出a′与b′芯线间的直流电阻值R2,则R2=2R(L-X)+R,式中R(L-X)为a′相或b′相芯线至故障点的一相电阻值,测完R1与 R2后,再按图3所示电路将b′与c′短接,测出b、c两相芯线间的直流电阻值,则该阻值的1/2为每相芯线的电阻值,用RL表示,RL=Rx+R(L- X),由此可得出故障点的接触电阻值:R=R1+R2-2RL,因此,故障点两侧芯线的电阻值可用下式表示:Rx=(R1-R)/2,R(L-X)= (R2-R)/2。Rx、R(L-X)、RL三个数值确定后,按比例公式即可求出故障点距电缆端头的距离X或(L-X):X=(RX/RL)L,(L- X)=(R(L-X)/RL)L,式中L为电缆的总长度。
采用电桥法时应保证测量精度,电桥连接线要尽量短,线径要足够大,与电缆芯线连接要采用压接或焊接,计算过程中小数位数要全部保留。
(3) 电容电流测定法:
电缆在运行中,芯线之间、芯线对地都存在电容,该电容是均匀分布的,电容量与电缆长度呈线性比例关系,电容电流测定法就是根据这一原理进行测定的,对于电缆芯线断线故障的测定非常准确。测量电路如图4所示,使用设备为1~2kVA单相调压器一台,0~30V、0.5级交流电压表一只,0~100mA、 0.5级交流毫安表一只。
测量步骤:
①首先在电缆首端分别测出每相芯线的电容电流(应保持施加电压相等)Ia、Ib、Ic的数值。
②在电缆的末端再测量每相芯线的电容电流Ia′、Ib′、Ic′的数值,以核对完好芯线与断线芯线的电容之比,初步可判断出断线距离近似点。
③根据电容量计算公式C=1/2πfU可知,在电压U、频率f不变时C与I成正比。因为工频电压的f(频率)不变,测量时只要保证施加电压不变,电容电流之比即为电容量之比。设电缆全长为L,芯线断线点距离为X,则Ia/ Ic=L/X,X=( Ic/ Ia)L。
测量过程中,只要保证电压不变,电流表读数准确,电缆总长度测量精确,其测定误差比较小。
(4) 零电位法:
零电位法也就是电位比较法,它适应于长度较短的电缆芯线对地故障,应用此方法测量简便精确,不需要精密仪器和复杂计算,其接线如图5所示,测量原理如下:将电缆故障芯线与等长的比较导线并联,在两端加电压E时,相当于在两个并联的均匀电阻丝两端接了电源,此时,一条电阻丝上的任何一点和另一条电阻丝上的对应点之间的电位差必然为零。反之,电位差为零的两点必然是对应点。因为微伏表的负极接地,与电缆故障点等电位,所以,当微伏表的正极在比较导线上移动至指示值为零时的点与故障点等电位,即故障点的对应点。
图中K为单相闸刀开关,E为6V蓄电池或4节1号干电池,G为直流微伏表,测量步骤如下:
①先在b和c相芯线上接上电池E,再在地面上敷设一根与故障电缆长度相等的比较导线S,该导线要用裸铜线或裸铝线,其截面应相等,不能有中间接头。
②将微伏表的负极接地,正极接一根较长的软导线,导线另一端要求在敷设的比较导线上滑动时能充分接触。
③合上闸刀开关K,将软导线的端头在比较导线上滑动,当微伏表指示为零时的位置即为电缆故障点的位置。
下一篇:如何快速计算电线电缆截面流量
快速跳转