首页 > 新闻中心 > 服务支持<

服务支持
三回路直流电阻测试仪相位测量的方法
时间:2021-04-03

三回路直流电阻测试仪相位测量的方

三相测量:

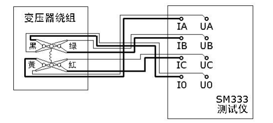
对于一般变压器,星型联接而且有中性点引出端的一侧可以使用三相测量功 能,接线方法如图 1 所示,在状态(2)使光标移动到“三相测量”, 按“确 定”键即开始测量,测量结果按状态(3)格式显示。状态(3)显示 A、B、C 各相电阻值及各相所施加的电流。“E”表示不平衡率,右下脚显示测量时间(单 位秒)。在状态(3)中试控股按“确定”键可储存数据,按“取消”或“复位”键可退 出测量状态。

三回路直流电阻测试仪-三相同时测量接线图

本测试仪三相测量、两相测量、单相测量三种方法测量时流过中性点的电流 是不同的,因此对于阻值很小的绕组(小于 1mΩ),三种测量方法测量的结果 会有些差异。对于同一侧绕组,建议使用同一种测量方法。

三相连续

三相连续测量功能适用于有载调压变压器星型绕组的测量,接线方法如图 1 所示,测试前将有载调压开关调至绕组电阻值最大的分接点,在状态(2)使光 标移动到“三相连续”,按“确定”键即开始测量,测量结果按状态(4)格式 显示。右下脚显示当前分接点,当数据稳定后按“确定”键即可将数据储存,并 使分接值加 1,此时可调节有载调压开关至下一分接点,等数据稳定后按“确定” 键储存数据,再调节有载调压开关至下一分接点,直到所有分接点测量完毕。测 试数据可以直接抄录也可以等测试完毕后查看内存。按“取消”或“复位”键可 退出测量状态。

两相测量

两相测量功能适用于具有公共端的两个绕组(下图)的测量,接线方法如下图 所示,在状态(2)使光标移动到“两相测量”, 按“确定”键即 开始测量,测量结果按状态(5)格式显示。状态(5)显示 A、C 两相电阻值(即 R1,R2)及所施加的电流。右下脚显示测量时间(单位秒)。在状态(5)按“确定”键可储存数据,按“取消”或“复位”键可退出测量状态。。

单相测量

单相测量功能适用于一个绕组的测量,对于低压绕组的测量可使用此方法, 中试控股此方法最大电流可达到 20A,接线方法如下图所示,在状态(2)使光标移动到 “单相测量”, 按“确定”键即开始测量,测量结果按状态(6)格式显示。状 态(6)显示 A 相电阻值及所施加的电流。右下脚显示测量时间(单位秒)。在 状态(6)按“确定”键可储存数据,按“取消”或“复位”键可退出测量状态。


 

 

 

 

 

 

 

 

 

销售热线

  • 400-046-1993全国统一服务热线
  • 销售热线:027-83621138
  • 售后专线:027-83982728
  • 在线QQ咨询: 149650365      
  • 联系我们

 

增值服务

  • 三年质保,一年包换,三个月试用

 

 

 

 


 

版权所有:湖北中试高测电气控股有限公司 鄂TCP备12007755号