首页 > 新闻中心 > 电力技术<
中试控股技术研究院鲁工为您讲解:电缆交流耐电压试验仪
适用电压等级:6kV、10kV、35kV、66kV、110kV、220kV、330kV、500kV、750kV、1000kV,也可以定制不同的电压等级规格。
ZSBP系列变频串联谐振耐压试验装置组成部分:变频电源主机、激励变压器、电抗器、电容分压器、补偿电容器、测试附件组成。
中试控股始于1986年 ▪ 30多年专业制造 ▪ 国家电网.南方电网.内蒙电网.入围合格供应商
参考标准:DL/T 474.4-2018
简易读懂:变频串联谐振耐压试验装置可以做什么?
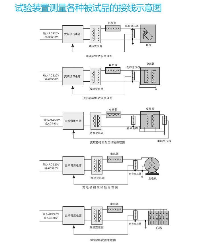
变频串联谐振成套耐压试验装置适用于大容量,高电压的电容性试品的交接和预防性试验.
主要针对电力电缆、变压器、断路器/开关、开关柜、避雷器、电压互感器、电流互感器、套管、支柱绝缘子、电抗器、母线、隔离开关、输电线路、发电机、电动机、熔断器、电容器、隔离开关、接触器、配电箱、绝缘材质、变电站系统的交流耐压试验。
适用以下电缆的交流耐压试验:
电力电缆、控制电缆、补偿电缆、屏蔽电缆、高温电缆、计算机电缆、信号电缆、同轴电缆、耐火电缆、船用电缆、矿用电缆、铝合金电缆、电器装备用电线电缆、RVVP表示:铜芯聚氯乙烯绝缘屏蔽聚氯乙烯护套软电缆电压300V/300V 2-24芯;
RG表示:物理发泡聚乙烯绝缘接入网电缆用于同轴光纤混合网中传输数据模拟信号;
UTP表示:局域网电缆;
KVVP为:聚氯乙烯护套编织屏蔽电缆,SYWV(Y)、SYKV 有线电视、宽带网专用电缆;
RVV表示:聚氯乙烯绝缘软电缆;
AVVR表示:聚氯乙烯护套安装用软电缆;
RV、RVP表示:聚氯乙烯绝缘电缆;
BV、BVR表示:聚氯乙烯绝缘电缆;
KVV表示:聚氯乙烯绝缘控制电缆等。

选择合适的试验频率范围是个比较重要的问题。在这方面,就目前国内外的提法来看,总结可分成3类:第1类为较宽频率范围30-300Hz、20-300Hz、1-300Hz;第2类为工频范围,45-65Hz,45-55Hz;第3类为接近工频,35-75Hz。
试验参考
10kv电缆交接试验耐压打2.5U0电压,试验时间为5min。 GB50150-2006《电气装置安装工程电气设备交接试验标准》中18.0.5条表18.0.5规定10kv电缆试验电压为(2.5U0),试验时间为5min(2.5U0时)。 10KV电缆是一般有6/10KV和8.7/10KV两种,这两种电缆的U0是不相同的。根据试验标准6/10KV是施加15KV(6x2.5=15)交流电5分钟,电缆不击穿;而8.7/10KV则是施加21.75KV(8.7x2.5=21.75)交流电5分钟,电缆不击穿。交流耐压试验:电力设备在运行中,绝缘长期受着电场、温度和机械振动的作用会逐渐发生劣化,其中包括整体劣化和部分劣化,形成缺陷。交流耐压试验是鉴定电力设备绝缘强度最有效和最直接的方法,是预防性试验的一项重要内容。此外,由于交流耐压试验电压一般比运行电压高,因此通过试验后,设备有较大的安全裕度,因此交流耐压试验是保证电力设备安全运行的一种重要手段。

电缆做耐压试验怎么做
1、被试电缆两端设好围栏并有专人看护。
2、测量电缆相位,确保电缆两端相位一致。
3、先用5000V兆欧表测量,正常情况下新电缆阻值均在10000MQ以上。多芯电缆应分别测量每一芯线对其它芯线及外皮的绝缘电阻。外护套及内衬层使用500V绝缘电阻测试仪测试其对地电阻。
4、开始打耐压,每相时间一般为20分钟。
5、试验完成后先把电压降下来再切断电源放电。
6、用5000v兆欧表再测量一次绝缘,绝缘电阻不应有明显下降
一般都采用串联谐振交流耐压试验设备。其输入电源的容量能显著降低,重量减轻,便于使用和运输。初期多采用调感式串联谐振设备(50Hz),但存在自动化程度差、噪音大等缺点。因此现在大都采用调频式(30-300Hz)串联谐振试验设备,可以得到更高的品质数(Q值),并具有自动调谐、多重保护,以及低噪音、灵活的组合方式(单件重量大为下降)等优点。

如何选择合适的变频串联谐振耐压试验装置?
为了选对规格,请提供以下技术参数
1、电力变压器:电压等级,大容量,试验性质(中性点耐压或全绝缘耐压)单相对地电容量;
2、电力电缆:电压等级,大长度,截面积;
3、发电机、电动机:电压等级(出口电压或称工作电压),试验电压(耐压值)单相对地电容量范围(如0.2-0.55uF等);
4、开关、绝缘子、PT、CT、绝缘工器具、母线:电压等级(或称工作电压);试验电压(耐压值);
5、CVT效验:电压等级或称工作电压,试验电压(耐压值)电容量范围(如0.005-0.02uF)。


中试控股践行“精细制造,深耕技术”产出变频串联谐振耐压成套试验装置优质产品能够在市场中赢得用户信赖,树立中试控股新形象打下了坚实的根底。











提到串联谐振试验装置,专业人士并不陌生,串联谐振试验装置主要针对10kV、35 kV电缆、35kV主变、母线、开关、绝缘子等电气主设备的交流耐压试验设计制造。既可满足高电压、小电流的设备试验条件要求,又能满足象10kV电缆这样的低电压的交流耐压试验要求。下面我们就来了解下有关串联谐振试验装置的试验方法:
1、电流选择
根据电气设备所需的电流IC选择串联谐振试验装置的额定输出电流IN,使其大于所需的电流IC,即IN>IC而所需的电流IC可按下式进行估算,试验变压器的额定输出电流取IN=770A。
2、电压选择
根据试验电压的要求,选择具有合适电压的串联谐振试验装置,使试验变压器的高压侧的额定电压UN大于试验电压UC,即UN>UC;其次检查试验变压器所需的低压侧电压,是否能和现场的电源电压、调压器相匹配。
串联谐振试验装置的电压值既要能满足发现被试品的绝缘缺陷,考核其绝缘的抗电强度,又要尽可能避免在试验过程中对绝缘造成较大的损伤,所以确定恰当的试验电压值意义重大。所以,串联谐振试验装置的额定电压设为UN=330kV。
3、串联谐振试验装置容量的选择
选择串联谐振试验装置的容量应尽可能大于计算结果,因为试验线路、试验设备,本身对地存在杂散电容,使得估算的试验电流小于实际值的缘故。用50Hz电压进行试验,由于电缆线路的电容较大,做试验就需要大容量的试验变压器、调压器以及电源等串联谐振试验装置设备。
4、串联谐振试验装置对绝缘缺陷的检测
绝缘缺陷的检测是最严格、最有效和最直接的试验方法,它对判断电气设备能否继续参加运行具有决定性的意义,也是保证设备绝缘水平,避免发生绝缘事故的重要手段。绝缘缺陷的检测是在接近运行条件的情况下,检验设备助绝缘水平。对设备来说,是一种破坏性试验。可能会对绝缘造成新的损伤或者加剧绝缘原有的损伤,但这些损伤在加压的时间内并未击穿显现出来,由于造成的绝缘损伤是不可恢复,永久性的,如果串联谐振试验装置继续投入使用,将会受到极大的危害。

串联谐振和并联谐振的区别具体如下:
(一)串联谐振和并联谐振区别一
1、从负载谐振方式划分,可以为并联逆变器和串联逆变器两大类型,下面列出串联逆变器和并联逆变器的主要技术特点及其比较:串联逆变器和并联逆变器的差别,源于它们所用的振荡电路不同,前者是用L、R和C串联,后者是L、R和C并联。
2、串联逆变器的负载电路对电源呈现低阻抗,要求由电压源供电。因此,经整流和滤波的直流电源末端,必须并接大的滤波电容器。当逆变失败时,浪涌电流大,保护困难。并联逆变器的负载电路对电源呈现高阻抗,要求由电流源供电,需在直流电源末端串接大电抗器。但在逆变失败时,由于电流受大电抗限制,冲击不大,较易保护。
(二)串联谐振和并联谐振区别二
1、串联逆变器的输入电压恒定,输出电压为矩形波,输出电流近似正弦波,换流是在晶闸管上电流过零以后进行,因而电流总是超前电压一φ角。
2、并联逆变器的输入电流恒定,输出电压近似正弦波,输出电流为矩形波,换流是在谐振电容器上电压过零以前进行,负载电流也总是越前于电压一φ角。这就是说,两者都是工作在容性负载状态。
3、串联逆变器是恒压源供电,为避免逆变器的上、下桥臂晶闸管同时导通,造成电源短路,换流时,必须保证先关断,后开通。即应有一段时间(t)使所有晶闸管(其它电力电子器件)都处于关断状态。此时的杂散电感,即从直流端到器件的引线电感上产生的感生电势,可能使器件损坏,因而需要选择合适的器件的浪涌电压吸收电路。此外,在晶闸管关断期间,为确保负载电流连续,使晶闸管免受换流电容器上高电压的影响,必须在晶闸管两端反并联快速二极管。
4、并联逆变器是恒流源供电,为避免滤波电抗Ld上产生大的感生电势,电流必须连续。也就是说,必须保证逆变器上、下桥臂晶闸管在换流时,是先开通后关断,也即在换流期间(tγ)内所有晶闸管都处于导通状态。这时,虽然逆变桥臂直通,由于Ld足够大,也不会造成直流电源短路,但换流时间长,会使系统效率降低,因而需缩短tγ,即减小Lk值。
变频串联谐振装置
(三)串联谐振和并联谐振区别三
1、串联逆变器的工作频率必须低于负载电路的固有振荡频率,即应确保有合适的t时间,否则会因逆变器上、下桥臂直通而导致换流的失败。并联逆变器的工作频率必须略高于负载电路的固有振荡频率,以确保有合适的反压时间t,否则会导致晶闸管间换流失败;但若高得太多,则在换流时晶闸管承受的反向电压会太高,这是不允许的。
2、串联逆变器的功率调节方式有二:改变直流电源电压Ud或改变晶闸管的触发频率,即改变负载功率因数cosφ。并联逆变器的功率调节方式,一般只能是改变直流电源电压Ud。改变cosφ虽然也能使逆变输出电压升高和功率增大,但所允许调节范围小。
3、串联逆变器在换流时,晶闸管是自然关断的,关断前其电流已逐渐减小到零,因而关断时间短,损耗小。在换流时,关断的晶闸管受反压的时间(t+tγ)较长。
(四)串联谐振和并联谐振区别四
1、并联逆变器在换流时,晶闸管是在全电流运行中被强迫关断的,电流被迫降至零以后还需加一段反压时间,因而关断时间较长。相比之下,串联逆变器更适宜于在工作频率较高的感应加热装置中使用。
2、串联逆变器的晶闸管所需承受的电压较低,用380V电网供电时,采用1200V的晶闸管就行,但负载电路的全部电流,包括有功和无功分量,都需流过晶闸管。逆变晶闸管丢失脉冲,只会使振荡停止,不会造成逆变颠覆。
3、并联逆变器的晶闸管所需承受的电压高,其值随功率因数角φ增大,而迅速增加。但负载本身构成振荡电流回路,只有有功电流流过逆变晶闸管,而且逆变晶闸管偶而丢失触发脉冲时,仍可维持振荡,工作比较稳定。
4、串联逆变器可以自激工作,也可以他激工作。他激工作时,只需改变逆变触发脉冲频率,即可调节输出功率;而并联逆变器一般只能工作在自激状态。
5、在串联逆变器中,晶闸管的触发脉冲不对称,不会引入直流成分电流而影响正常运行;而在并联逆变器中,逆变晶闸管的触发脉冲不对称,则会引入直流成分电流而引起故障。
(五)串联谐振和并联谐振区别五
1、串联逆变器起动容易,适用于频繁起动工作的场合;而并联逆变器需附加起动电路,起动较为困难。
2、串联逆变器中的晶闸管由于承受矩形波电压,故du/dt值较大,吸收电路起着关键作用,而对其di/dt要求则较低。在并联逆变器中,流过逆变晶闸管的电流是矩形波,因而要求大的di/dt,而对du/dt的要求则低一些。
3、串联逆变器的感应加热线圈与逆变电源(包括槽路电容器)的距离远时,对输出功率的影响较小。如果采用同轴电缆或将来回线尽量靠近(扭绞在一起更好)敷设,则几乎没有影响。而对并联逆变器来说,感应加热线圈应尽量靠近电源(特别是槽路电容器),否则功率输出和效率都会大幅度降低。
4、串联逆变器感应线圈上的电压和槽路电容器上的电压,都为逆变器输出电压的Q倍,流过感应线圈上的电流,等于逆变器的输出电流。并联逆变器的感应线圈和槽路电容器上的电压,都等于逆变器的输出电压,而流过它们的电流,则都是逆变器输出电流的Q倍。
这篇文章希望能帮助到每一位客户朋友,有需要高压试验设备的朋友,也可以和我们联系,公司20年来致力于电力承修、承试行业,主导生产变频串联谐振耐压测试仪、高压开关动特性测试仪、回路电阻测试仪及变压器检测等设备。

上一篇:电缆耐压试验仪
下一篇:高压电缆绝缘耐电压试验仪
快速跳转